Simulador de esquemas electricos

Responder
MONO96
Faça a sua apresentação
Faça a sua apresentação
Mensagens: 2
Registado: 11 fev 2013, 19:16

Simulador de esquemas electricos

Mensagem por MONO96 »

Boas,
Sou novo por estas andanças, tenho alguma teoria,mas gostaria de saber como aplica-la, por isso penso que através de um simulador pudesse aprofundar alguma coisa para depois por em pratica, alguém me pode dizer qual o melhor simulador?
Obrigado
BLima
Técnico Dedicado
Técnico Dedicado
Mensagens: 754
Registado: 12 jan 2008, 00:53
Localização: Funchal
Enviou: 17 vezes
Agradecimento recebido: 14 vezes
Contacto:

Re: Simulador de esquemas electricos

Mensagem por BLima »

Viva,

O Proteus é muito bom ou o Multisim.

Cumps,
Bruno
Atentamente,
Bruno
-------------------------------------------------------------------------------------------------------------------
M4I - Manutenção Industrial
e-mail: geral@m4i.pt
Avatar do Utilizador
DomingosX
Velha Guarda
Velha Guarda
Mensagens: 102
Registado: 10 jan 2009, 23:28
Localização: Carregado - Lisboa
Agradecimento recebido: 1 vez

Re: Simulador de esquemas electricos

Mensagem por DomingosX »

O Proteus é muito profissional, na minha opinião nem sempre é fácil para iniciantes trabalhar com ele.
WindWalker
Curioso
Curioso
Mensagens: 96
Registado: 30 jun 2009, 00:07
Agradecimento recebido: 1 vez

Re: Simulador de esquemas electricos

Mensagem por WindWalker »

Esquemas elétricos ou eletrónicos?
ELECTRORC
Faça a sua apresentação
Faça a sua apresentação
Mensagens: 5
Registado: 12 mar 2013, 15:16
Localização: porto

Re: Simulador de esquemas electricos

Mensagem por ELECTRORC »

mas esses dois são de electronico não é...... por acaso também agradecia quem soubesse de electricidade....
jpmendes
Curioso
Curioso
Mensagens: 20
Registado: 16 jan 2008, 22:52
Localização: Penela

Re: Simulador de esquemas electricos

Mensagem por jpmendes »

Boas

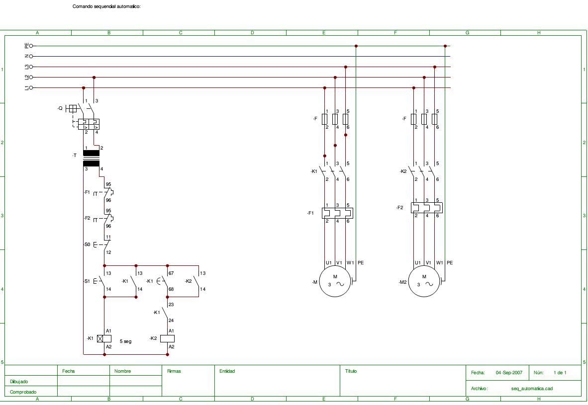
Para circuitos eletromecânicos e circuitos elétricos de comando com contactores, tens o CAD SIMU.

Eis um exemlo do que se consegue fazer, além de permitir a sua simulação

http://imageshack.pt/images/2013/03/13/DOSoW.jpg

Além disso, existem outros softwares e sites interessantes como o http://ntic.educacion.es/w3/recursos/fp ... menu_1.htm# que permite também fazer a simulação de alguns circuitos eletromecânicos.

Ambos os programas são fáceis de adquirir (sacar) da net
Anexos
Exemplo do CADe SIMU
Exemplo do CADe SIMU
Responder

Voltar para “Esquemas Elétricos”