Duplicar sinal 4-20

Responder
Avatar do Utilizador
Mário
Team Apoio
Team Apoio
Mensagens: 8150
Registado: 09 nov 2007, 22:11
Localização: Lisboa
Enviou: 3 vezes
Agradecimento recebido: 221 vezes

Duplicar sinal 4-20

Mensagem por Mário »

Boas

Quero fazer o seguinte;

Tenho um sinal de um sensor de pressão que sai em 4-20mA e vai ligar ao controlador, pretendo que esse sinal seja enviado para outro indicador tambem (ou seja um sensor, e ter duas saidas em 4-20mA), é possivel?

Ando às voltas com um registador para análise (patente do Mário)

Cump.
Mário
" Nenhum trabalho é tão importante quanto colocar em risco a minha segurança ou daqueles ao meu redor."
Duzia12
Oficial
Oficial
Mensagens: 5316
Registado: 27 fev 2008, 20:53
Localização: Barcelos
Enviou: 3 vezes
Agradecimento recebido: 17 vezes

Re: Duplicar sinal 4-20

Mensagem por Duzia12 »

Não sei se interessa mas cá vai


http://www.google.pt/#hl=pt-PT&output=s ... =p&pdl=300


Conversor.png
Conversor.png (166.43 KiB) Visto 1106 vezes
jaimereis
Quadro de Honra
Quadro de Honra
Mensagens: 2011
Registado: 30 abr 2011, 11:56
Localização: Almada/Charneca da Caparica
Enviou: 2 vezes
Agradecimento recebido: 13 vezes

Re: Duplicar sinal 4-20

Mensagem por jaimereis »

boas Mario

a PHEONIX CONTACT tem desse tipo de duplicadores, nós usamos desse tipo de material aqui na central

o principio de funcionamento é como o Duzia12 descreve
Jaime Reis
Avatar do Utilizador
Mário
Team Apoio
Team Apoio
Mensagens: 8150
Registado: 09 nov 2007, 22:11
Localização: Lisboa
Enviou: 3 vezes
Agradecimento recebido: 221 vezes

Re: Duplicar sinal 4-20

Mensagem por Mário »

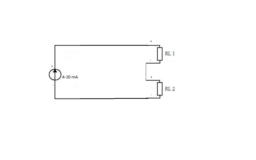
Boas

Creio que é isto.

Cump.
Mário
" Nenhum trabalho é tão importante quanto colocar em risco a minha segurança ou daqueles ao meu redor."
ruka
Curioso
Curioso
Mensagens: 72
Registado: 18 ago 2012, 23:37
Localização: Porto

Re: Duplicar sinal 4-20

Mensagem por ruka »

São apenas algumas ideias para quem gosta de fabricar os seus equipamentos, na pratica utilizam-se modulos de medição de empresas especializadas como o Mário
já conhece.
Anexos
Conversor corrente em tensão.doc
(483 KiB) Transferido 114 vezes
receptor 4..20mA.doc
(29 KiB) Transferido 107 vezes
Cps.
jodsbrum
Velha Guarda
Velha Guarda
Mensagens: 174
Registado: 20 ago 2009, 16:05
Localização: Ilha do Pico - Açôres
Agradecimento recebido: 5 vezes

Re: Duplicar sinal 4-20

Mensagem por jodsbrum »

Eu tenho alguns a funcionar desta forma e funcionam muito bem
Sem Título.png
(36.72 KiB) Transferido 38 vezes
Responder

Voltar para “Discussão Eletrónica”