Preciso montar um semáforo
-
jrgmaia
- Faça a sua apresentação

- Mensagens: 1
- Registado: 06 set 2010, 18:05
- Localização: Araraquara, São Paulo, Brasil
Preciso montar um semáforo
Preciso montar um semáforo usando apenas contatores e temporizadores, alguma ajuda?
Re: Preciso montar um semáforo
Pense num arranque estrela-triângulo de um motor.
É um bom princípio.
É um bom princípio.
-
jose cardoso
- Velha Guarda

- Mensagens: 123
- Registado: 19 jun 2010, 09:21
- Localização: porto
- Agradecimento recebido: 2 vezes
Re: Preciso montar um semáforo
ja pensaste no mais basico circuito que se aprende em electronica? sim um flip flop com 3 transistores, depois é so ligares triuachs para comandar potencias, de preferencia com fotoisoladores tipo moc3023 ou 3064 que ja tem detector de passagem por zero
Re: Preciso montar um semáforo
Boas,
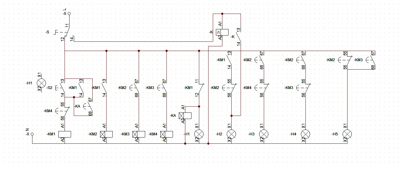
Deixo aí um esquema eléctrico de um semáforo.
Para o caso de estares interessado, instala o Cad Simu, e se quiseres eu forneço-te o ficheiro, para simulares o semáforo no software.
Cumprimentos,
Nuno Lourenço
Deixo aí um esquema eléctrico de um semáforo.
Para o caso de estares interessado, instala o Cad Simu, e se quiseres eu forneço-te o ficheiro, para simulares o semáforo no software.
Cumprimentos,
Nuno Lourenço
- Anexos
-
- eletropneumaticaAI.pdf
- (61.6 KiB) Transferido 144 vezes
Re: Preciso montar um semáforo
Boas,
Deixo em anexo um esquema eléctrico de um semáforo.
Esse esquema foi feito no software Cad simu, se tiveres interessado instala.
Está simulado um semáforo e o respectivo sinal de peão. Estão ambos operacionais.
Se quiseres posso-te enviar o ficheiro em cad simu, para tu também poderes simular.
Cumprimentos,
Nuno Lourenço
Deixo em anexo um esquema eléctrico de um semáforo.
Esse esquema foi feito no software Cad simu, se tiveres interessado instala.
Está simulado um semáforo e o respectivo sinal de peão. Estão ambos operacionais.
Se quiseres posso-te enviar o ficheiro em cad simu, para tu também poderes simular.
Cumprimentos,
Nuno Lourenço

