Boa tarde companheiros,
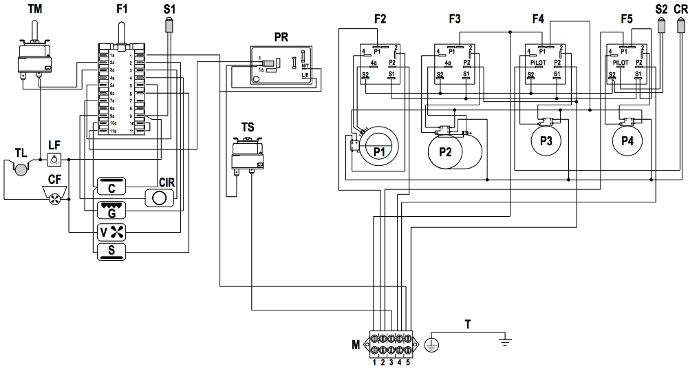
Será que alguém me pode ajudar com o esquema elétrico para ligar as placas de indução. Neste caso, perderam a parte de comando e quero tentar por a ligar diretamente ou se possível aplicar um potenciómetro mas não consigo perceber o funcionamento de cada resistência o que tem junto se será um termostato....etc.... deixo foto
Obrigado pela ajuda. abraço
Esquema elétrico Placa indução
-
renafari10
- Faça a sua apresentação

- Mensagens: 1
- Registado: 19 jul 2014, 12:18
Re: Esquema elétrico Placa indução
Essa placa parece-me de vitrocerâmica (com resistências) e não placa de indução, o funcionamento é completamente diferente.
Vê se este esquema te ajuda a perceber o que tens aí.
Vê se este esquema te ajuda a perceber o que tens aí.
