Altaração esquema de funcionamento de bombas
-
CF,Lda
- Técnico Dedicado

- Mensagens: 757
- Registado: 04 abr 2010, 01:41
- Localização: Gondomar
- Enviou: 10 vezes
- Agradecimento recebido: 34 vezes
Re: Altaração esquema de funcionamento de bombas
Vivam.
Eu não faria assim: considero essa solução uma solução caseira, para desenrascar, daquelas que os técnicos fazem nas suas casas...
Eu substituiria o comutador S1 por outro com 4 contactos e 5 posições e desenvolveria o resto das ligações eléctricas em função do interesse do propriétário...
Ter em atenção que, mesmo com o seu esquema, as 2 bombas só funcionarão quando o termostato der ordem.
Cps
A. Castro
Eu não faria assim: considero essa solução uma solução caseira, para desenrascar, daquelas que os técnicos fazem nas suas casas...
Eu substituiria o comutador S1 por outro com 4 contactos e 5 posições e desenvolveria o resto das ligações eléctricas em função do interesse do propriétário...
Ter em atenção que, mesmo com o seu esquema, as 2 bombas só funcionarão quando o termostato der ordem.
Cps
A. Castro
Re: Altaração esquema de funcionamento de bombas
Boas,
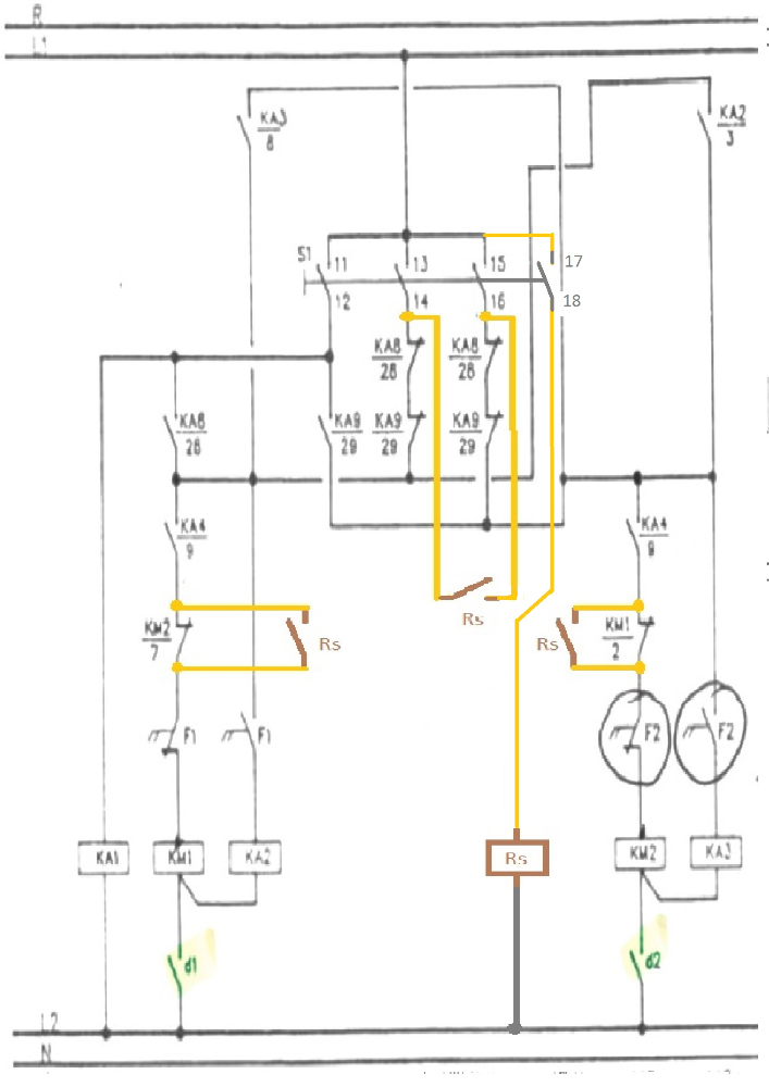
aqui vai uma solução substituindo o comutador de 4 posições por outro de 5 posições e mantendo o relé:
Um abraço
aqui vai uma solução substituindo o comutador de 4 posições por outro de 5 posições e mantendo o relé:
Um abraço
Re: Altaração esquema de funcionamento de bombas
Fundamente isso!CF,Lda Escreveu:Vivam.
Eu não faria assim: considero essa solução uma solução caseira, para desenrascar, daquelas que os técnicos fazem nas suas casas...
(...)
Cps
A. Castro
Até já
-
CF,Lda
- Técnico Dedicado

- Mensagens: 757
- Registado: 04 abr 2010, 01:41
- Localização: Gondomar
- Enviou: 10 vezes
- Agradecimento recebido: 34 vezes
Re: Altaração esquema de funcionamento de bombas
Vivam.
Não preciso de justificar... Basta olhar para o esquema proposto. Não tem outra justificação, ter que utilizar 2 comutadores para realizar as mesmas manobras...
Cps
A. Castro
Não preciso de justificar... Basta olhar para o esquema proposto. Não tem outra justificação, ter que utilizar 2 comutadores para realizar as mesmas manobras...
Cps
A. Castro
Re: Altaração esquema de funcionamento de bombas
Ora bem,
Lembrando o objetivo deste forum de discussão.
Um forum de discussão tem como objetivo a troca de ideias e opiniões por forma a chegar a soluções que sirvam as duvidas que em dado momento se nos deparam a todos.
O uso de expressões deselegantes e opiniões infundadas que denegridam o contributo de terceiros é contrário aos objetivo anteriormente referido. Não só não "rema" no sentido de solucionar as dificuldades apresentadas pelos membros do forum como faz perder tempo porque desvia o foco do assunto em questão. Melhor uso poderia ser dado ao tempo perdido a proferir tais indelicadezas se fosse usado por exemplo na execuçao de esboços ou esquemas que ilustrassem as respectivas intervenções.
Agora de forma concreta a respeito da causa destas declarações:
Não é o nº de componentes por si só que define a qualidade de uma obra. O exemplo seguinte ilustra com certeza esta afirmação: Não é pelo facto de existirem automóveis automáticos (apenas com dois pedais), que faz dos outros (com três pedais) menos profissionais ou mais "caseiros".
Na verdade não se pode afirmar de forma incondicional que determinada solução é melhor que outra. Tudo depende dos requisitos de cada caso concreto.
No nosso caso, não é o facto de se usarem dois comutadores que faz dessa montagem uma solução "caseira" ou menos profissional. Tanto esta como a outra em que é usada um comutador são igualmente válidas. O uso de uma ou outra solução está apenas dependente dos condicionalismos de cada caso. Facilmente poderemos imaginar situações em que uma solução é mais adequada que a outra e vice-versa.
Todos os cuidados e principios usados para realizar a função requerida são comuns às duas montagens. Em momento nenhum foram sugeridos "arames", improvisações ou componentes de menor qualidade para a realização da montagem com dois comutadores. Isso sim torná-la-ia "caseira".
Em resumo não sendo este o caso apenas se pode concluir que o valor tecnico dos dois tipos de montagem é equivalente, cabendo ao utilizador decidir por qualquer uma delas de acordo apenas com os condicionalismos da instalação e não com a diferença de qualidade entre ambas.
Um abraço
Lembrando o objetivo deste forum de discussão.
Um forum de discussão tem como objetivo a troca de ideias e opiniões por forma a chegar a soluções que sirvam as duvidas que em dado momento se nos deparam a todos.
O uso de expressões deselegantes e opiniões infundadas que denegridam o contributo de terceiros é contrário aos objetivo anteriormente referido. Não só não "rema" no sentido de solucionar as dificuldades apresentadas pelos membros do forum como faz perder tempo porque desvia o foco do assunto em questão. Melhor uso poderia ser dado ao tempo perdido a proferir tais indelicadezas se fosse usado por exemplo na execuçao de esboços ou esquemas que ilustrassem as respectivas intervenções.
Agora de forma concreta a respeito da causa destas declarações:
Não é o nº de componentes por si só que define a qualidade de uma obra. O exemplo seguinte ilustra com certeza esta afirmação: Não é pelo facto de existirem automóveis automáticos (apenas com dois pedais), que faz dos outros (com três pedais) menos profissionais ou mais "caseiros".
Na verdade não se pode afirmar de forma incondicional que determinada solução é melhor que outra. Tudo depende dos requisitos de cada caso concreto.
No nosso caso, não é o facto de se usarem dois comutadores que faz dessa montagem uma solução "caseira" ou menos profissional. Tanto esta como a outra em que é usada um comutador são igualmente válidas. O uso de uma ou outra solução está apenas dependente dos condicionalismos de cada caso. Facilmente poderemos imaginar situações em que uma solução é mais adequada que a outra e vice-versa.
Todos os cuidados e principios usados para realizar a função requerida são comuns às duas montagens. Em momento nenhum foram sugeridos "arames", improvisações ou componentes de menor qualidade para a realização da montagem com dois comutadores. Isso sim torná-la-ia "caseira".
Em resumo não sendo este o caso apenas se pode concluir que o valor tecnico dos dois tipos de montagem é equivalente, cabendo ao utilizador decidir por qualquer uma delas de acordo apenas com os condicionalismos da instalação e não com a diferença de qualidade entre ambas.
Um abraço
-
migjac
- Velha Guarda

- Mensagens: 571
- Registado: 08 mai 2008, 17:52
- Enviou: 6 vezes
- Agradecimento recebido: 17 vezes
Re: Altaração esquema de funcionamento de bombas
Agradeço TODAS as sugestões apresentadas. O objetivo da minha participação neste fórum é aprender um pouco com todos e dentro das minhas possibilidades contribuir com o meu saber. Assim agradeço o contributo de todos que se empenharam em apresentar as suas soluções. Obrigado
-
ohmico
- Técnico Dedicado

- Mensagens: 1922
- Registado: 22 fev 2008, 14:44
- Enviou: 18 vezes
- Agradecimento recebido: 82 vezes
Re: Altaração esquema de funcionamento de bombas
migjac Escreveu:Agradeço TODAS as sugestões apresentadas. O objetivo da minha participação neste fórum é aprender um pouco com todos e dentro das minhas possibilidades contribuir com o meu saber. Assim agradeço o contributo de todos que se empenharam em apresentar as suas soluções. Obrigado
Boas,
pela parte que me toca não tem de que agradecer.
À cautela, não se esqueça de fazer um seguro.
Ohmico
Re: Altaração esquema de funcionamento de bombas
Boas,
Eu sou mais otimista no que respeita a parte eletrica, pois foi mantida toda a estrutura e lógica do automatismo alterando-se apenas o estritamente necessário como é o caso do encravamento eletrico entre as duas bombas. Mesmo o paralelo entre os ramos dos circuitos correspondentes às 2 bombas foi feito de forma a manter a lógica do automatismo inicial.
Há a questão do circuito hidraulico estar ou não preparado para o funcionamento simultâneo das 2 bombas, mas quanto a isso não temos elementos para fazer qualquer avaliação e fica essa analise à responsabilidade do migjac.
Uma questão que neste aspeto se poderá colocar é se ao colocarmos BPQ1/BPQ2 em simultaneo, não teriamos que fazer o mesmo a BRQ1/BRQ2...
No entanto como têm comandos separados, considero à priori não estarem relacionados mas deixo aqui este apontamento para o migjac levar em consideração se assim o entender. Caso venha a revelar-se necessária essa hipotese, teria que se fazer alteração semelhante tambem ao circuito de comando de BRQ1/BQR2.
Um abraço
Eu sou mais otimista no que respeita a parte eletrica, pois foi mantida toda a estrutura e lógica do automatismo alterando-se apenas o estritamente necessário como é o caso do encravamento eletrico entre as duas bombas. Mesmo o paralelo entre os ramos dos circuitos correspondentes às 2 bombas foi feito de forma a manter a lógica do automatismo inicial.
Há a questão do circuito hidraulico estar ou não preparado para o funcionamento simultâneo das 2 bombas, mas quanto a isso não temos elementos para fazer qualquer avaliação e fica essa analise à responsabilidade do migjac.
Uma questão que neste aspeto se poderá colocar é se ao colocarmos BPQ1/BPQ2 em simultaneo, não teriamos que fazer o mesmo a BRQ1/BRQ2...
No entanto como têm comandos separados, considero à priori não estarem relacionados mas deixo aqui este apontamento para o migjac levar em consideração se assim o entender. Caso venha a revelar-se necessária essa hipotese, teria que se fazer alteração semelhante tambem ao circuito de comando de BRQ1/BQR2.
Um abraço
-
maceira.87
- Velha Guarda

- Mensagens: 224
- Registado: 29 out 2011, 18:08
- Localização: Carnota / Alenquer
- Enviou: 1 vez
- Agradecimento recebido: 3 vezes
Re: Altaração esquema de funcionamento de bombas
Boa noite parceiros,
Não vou opinar nada em relação ao esquema, mas apenas quero dizer que o parceiro justme " fala bonito pah"
Cumprimentos
Não vou opinar nada em relação ao esquema, mas apenas quero dizer que o parceiro justme " fala bonito pah"
Cumprimentos
Quanto mais sei....mais burro sou!!
