como ligar um bezouro e uma lampada a uma boia
-
nunomota
- Velha Guarda

- Mensagens: 150
- Registado: 26 dez 2011, 10:45
- Localização: Porto
- Agradecimento recebido: 3 vezes
Re: como ligar um bezouro e uma lampada a uma boia
Boa tarde,
segue em anexo uma possível solução. Caso tenha dúvidas não exite em contactar.
Obrigado
Nuno Mota
segue em anexo uma possível solução. Caso tenha dúvidas não exite em contactar.
Obrigado
Nuno Mota
- Anexos
-
- esquema.bmp
- (3.03 MiB) Transferido 24 vezes
Re: como ligar um bezouro e uma lampada a uma boia
e precisamente isso.
se conseguir colocar o esquema era maravilha.

se conseguir colocar o esquema era maravilha.
-
Duzia12
- Oficial

- Mensagens: 5316
- Registado: 27 fev 2008, 20:53
- Localização: Barcelos
- Enviou: 3 vezes
- Agradecimento recebido: 17 vezes
Re: como ligar um bezouro e uma lampada a uma boia
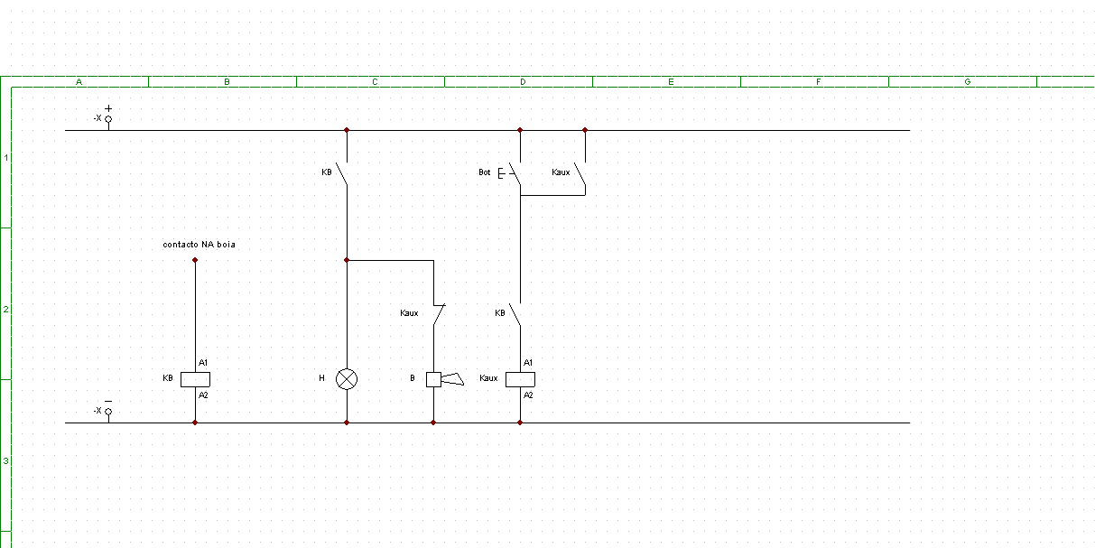
Se o contato da boia andar a nadar "liga desliga" o relé anda a nadar. Faz falta aí um contacto de auto alimentação.
Re: como ligar um bezouro e uma lampada a uma boia
precisamente isso. acabei de chegar la tambem
e o mesmo eskema.
lol
muito obrigado pela ajuda
e o mesmo eskema.
muito obrigado pela ajuda
- Anexos
-
- Documento (2).pdf
- (285.71 KiB) Transferido 117 vezes
Re: como ligar um bezouro e uma lampada a uma boia
sim isso e o que não preocupa e so colocar em paralelo com a lampada
Re: como ligar um bezouro e uma lampada a uma boia
nunomota
o contacto do botão tem de ser fechado certo?
o contacto do botão tem de ser fechado certo?
- ezer
- Velha Guarda

- Mensagens: 245
- Registado: 04 jan 2008, 22:56
- Localização: Amora - Seixal
- Enviou: 1 vez
- Agradecimento recebido: 10 vezes
Re: como ligar um bezouro e uma lampada a uma boia
Só uma duvida, não era para ter uma lampada sinalizadora a indicar cada bidão?okinawa Escreveu:mt bom.
mt obrigado pela ajuda
- Anexos
-
- Boia1.docx
- (185.42 KiB) Transferido 113 vezes
Re: como ligar um bezouro e uma lampada a uma boia
era mas ja sei o que preciso de fazer.
o seu esquema não funciona como o pretendido.
imaginemos a boia 1 atraca. vai atraca k1 e k1.1 que vai fazer atracar k4. o k 4 fica sempre atracado enquanto a boia estiver fechada, mesmo que se abra a botoneira.
o seu esquema não funciona como o pretendido.
imaginemos a boia 1 atraca. vai atraca k1 e k1.1 que vai fazer atracar k4. o k 4 fica sempre atracado enquanto a boia estiver fechada, mesmo que se abra a botoneira.
- ezer
- Velha Guarda

- Mensagens: 245
- Registado: 04 jan 2008, 22:56
- Localização: Amora - Seixal
- Enviou: 1 vez
- Agradecimento recebido: 10 vezes
Re: como ligar um bezouro e uma lampada a uma boia
Tem razão ,não me aprecebi desse permenor, vai ser corrigidookinawa Escreveu:era mas ja sei o que preciso de fazer.
o seu esquema não funciona como o pretendido.
imaginemos a boia 1 atraca. vai atraca k1 e k1.1 que vai fazer atracar k4. o k 4 fica sempre atracado enquanto a boia estiver fechada, mesmo que se abra a botoneira.
Re: como ligar um bezouro e uma lampada a uma boia
n esta feio mas esta aqui.
ja agora como se mostra o ficheiro?
em relação ao rele andar disseram-me que ha uns que têm um pequeno atraso o que resolve o problema.
ja agora como se mostra o ficheiro?
em relação ao rele andar disseram-me que ha uns que têm um pequeno atraso o que resolve o problema.
- Anexos
-
- Documento (3).pdf
- (307.77 KiB) Transferido 116 vezes
Re: como ligar um bezouro e uma lampada a uma boia
descobri um pequeno erro. depois do 1º bidão estar cheio se não for trocado e o 2º encher não toca
duzia poder mostrar a sua ideia?
duzia poder mostrar a sua ideia?

