Problema associação de temporizador + celula fotoelectrica

Responder
Avatar do Utilizador
Miguel Alves
Aprendiz
Aprendiz
Mensagens: 108
Registado: 16 fev 2009, 19:07
Localização: Abrantes - Portugal
Agradecimento recebido: 9 vezes

Problema associação de temporizador + celula fotoelectrica

Mensagem por Miguel Alves »

Boa Tarde a todos os colegas....
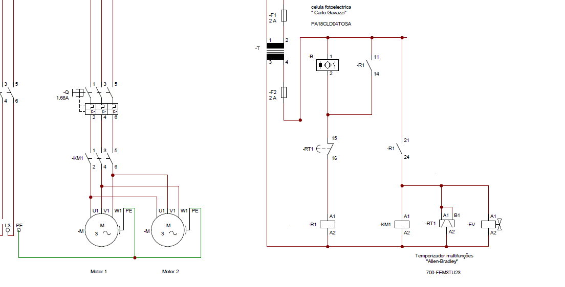
Tenho um problema em associar um temporizador multifunções da "Allen-bradley" 700-FEM3TU23 e uma celula fotoelectrica "Carlo Gavazzi" PA18CLD04TOSA, ambos são alimentados a 24V AC.

O meu problema é que como esta no esquema o temporizador esta sempre a funcionar, penso que tem a ver com a função seleccionada!, mas qual é a função para trabalhar com o sinal do sensor a entar em B1

Agradeço a todos os colegas que me possam ajudar.
Miguel Alves
Anexos
esquema.pdf
(8.35 KiB) Transferido 141 vezes
Última edição por Miguel Alves em 23 jan 2012, 20:21, editado 1 vez no total.
Avatar do Utilizador
nelmindo
Team Apoio
Team Apoio
Mensagens: 5464
Registado: 14 abr 2008, 10:52
Localização: PORTO
Enviou: 23 vezes
Agradecimento recebido: 206 vezes

Re: Problema associação de temporizador + celula fotoelectri

Mensagem por nelmindo »

Miguel Alves Escreveu:Boa Tarde a todos os colegas....
Tenho um problema em associar um temporizador multifunções da "Allen-bradley" 700-FEM3TU23 e uma celula fotoelectrica "Carlo Gavazzi" PA18CLD04TOSA, ambos são alimentados a 24V AC.
Em anexo segue um esquema para uma maq. que vai ser montada numa suinicultura tem a função de lavar as solas das botas de borracha dos trabalhadores.
descrição do funcionamento: O operario sai da suinicultura e passa por cima de dois rolos que fazem a lavagem das solas, ao entrarem na maq. accionam o sensor que por sua vez acciona o temporizador para 20 seg. ao fim desse tempo a maq. desliga-se.
O meu problema é que como esta no esquema o temporizador esta sempre a funcionar, penso que tem a ver com a função seleccionada!, mas qual é a função para trabalhar com o sinal do sensor a entar em B1

Agradeço a todos os colegas que me possam ajudar.
Miguel Alves

Em anexo está a proposta do esquema. Se funcionar, não se esqueça de pagar uma "mine" ao pessoal, num próximo encontro.
Não é boa onda usar uma só protecção térmica, para dois motores. Um contactor sim, agora partilhar a mesma protecção (e repito, térmica) é que não.
Anexos
esquema da suinicultura.bmp
(606.96 KiB) Transferido 135 vezes
Duzia12
Oficial
Oficial
Mensagens: 5316
Registado: 27 fev 2008, 20:53
Localização: Barcelos
Enviou: 3 vezes
Agradecimento recebido: 17 vezes

Re: Problema associação de temporizador + celula fotoelectri

Mensagem por Duzia12 »

O contato 11-13 deve ser 13-14

O contato 21-24 deve sed 23-24
Contato.png
Contato.png (3.38 KiB) Visto 971 vezes

Mas-----by Duzia12
Avatar do Utilizador
Miguel Alves
Aprendiz
Aprendiz
Mensagens: 108
Registado: 16 fev 2009, 19:07
Localização: Abrantes - Portugal
Agradecimento recebido: 9 vezes

Re: Problema associação de temporizador + celula fotoelectri

Mensagem por Miguel Alves »

Obrigado pela resposta!
Mas qual é a letra de função que tenho de colocar no temporizador ? é que não estou a compreender...!

Miguel Alves
jaimereis
Quadro de Honra
Quadro de Honra
Mensagens: 2011
Registado: 30 abr 2011, 11:56
Localização: Almada/Charneca da Caparica
Enviou: 2 vezes
Agradecimento recebido: 13 vezes

Re: Problema associação de temporizador + celula fotoelectri

Mensagem por jaimereis »

http://literature.rockwellautomation.co ... _-en-p.pdf


é na posição A

depois diga o resultado
Jaime Reis
Avatar do Utilizador
nelmindo
Team Apoio
Team Apoio
Mensagens: 5464
Registado: 14 abr 2008, 10:52
Localização: PORTO
Enviou: 23 vezes
Agradecimento recebido: 206 vezes

Re: Problema associação de temporizador + celula fotoelectri

Mensagem por nelmindo »

Duzia12 Escreveu:O contato 11-13 deve ser 13-14

O contato 21-24 deve sed 23-24
Contato.png

Mas-----by Duzia12
Quando são contactos inversores (que deve ser o caso, porque deve estar a usar uma relé), os últimos algarismos costumam ser os 1,2 e 4
Avatar do Utilizador
Miguel Alves
Aprendiz
Aprendiz
Mensagens: 108
Registado: 16 fev 2009, 19:07
Localização: Abrantes - Portugal
Agradecimento recebido: 9 vezes

Re: Problema associação de temporizador + celula fotoelectri

Mensagem por Miguel Alves »

Boa tarde a todos os colegas... :D

Agradeço a todos os colegas que me ajudaram com o meu problema, em especial ao nelmindo e ao jaimereis
A maquina já está a funcionar com o esquema proposto pelo nelmindo e com a função do temporizador dada pelo jaimereis.

A todos muito Obrigado... :D

Miguel Alves
Rochiinha
Velha Guarda
Velha Guarda
Mensagens: 188
Registado: 10 out 2010, 20:03

Re: Problema associação de temporizador + celula fotoelectri

Mensagem por Rochiinha »

jaimereis Escreveu:http://literature.rockwellautomation.co ... _-en-p.pdf


é na posição A

depois diga o resultado
para que preço é um temporizador destes?
Avatar do Utilizador
nelmindo
Team Apoio
Team Apoio
Mensagens: 5464
Registado: 14 abr 2008, 10:52
Localização: PORTO
Enviou: 23 vezes
Agradecimento recebido: 206 vezes

Re: Problema associação de temporizador + celula fotoelectri

Mensagem por nelmindo »

Rochiinha Escreveu:
jaimereis Escreveu:http://literature.rockwellautomation.co ... _-en-p.pdf


é na posição A

depois diga o resultado
para que preço é um temporizador destes?
25 a 70€, dependendo:
do local
da marca
das funções pretendidas
Rochiinha
Velha Guarda
Velha Guarda
Mensagens: 188
Registado: 10 out 2010, 20:03

Re: Problema associação de temporizador + celula fotoelectri

Mensagem por Rochiinha »

nelmindo Escreveu:
Rochiinha Escreveu:
jaimereis Escreveu:http://literature.rockwellautomation.co ... _-en-p.pdf


é na posição A

depois diga o resultado
para que preço é um temporizador destes?
25 a 70€, dependendo:
do local
da marca
das funções pretendidas
estava a pensar usar um destes para ligar a luz no exterior, portanto o que queria fazer era, ao ligar uma luz no exterior metia um temporizador para me ligar uma outra luz ao mesmo tempo mas esta apaga prai apos um minuto, uma questao de poupança, um automatico de escada tambem dá
Responder

Voltar para “Esquemas Elétricos”