Esquema com telerruptores ou autómato

rainbow
Velha Guarda
Velha Guarda
Mensagens: 1426
Registado: 10 ago 2009, 10:15
Enviou: 16 vezes
Agradecimento recebido: 40 vezes

Re: Esquema com telerruptores ou autómato

Mensagem por rainbow »

ohmico Escreveu:
ohmico Escreveu:Boas,

vejam lá se este autómato serve:
Lâmp Telerruptor.jpg
ohmico

Está aqui um que funciona e para a quantidade de lâmpadas que pretenderem.

Este eu ofereço extra-concurso...

É uma chatice quando isto vai um pouco além da construção civil... começam logo os ataques pessoais.

ohmico
Boa tarde.

Por acaso, também não funciona :D . O botão S1 precisa de ser NF (NC).
Eu queria pedir a um engenheiro de automação, o favor de vir a este tópico, dar o seu parecer.
Avatar do Utilizador
LinceS@T
Velha Guarda
Velha Guarda
Mensagens: 233
Registado: 21 jan 2008, 22:54
Localização: Évora - Engº de Energia e Sistemas de Potência e Automação

Re: Esquema com telerruptores ou autómato

Mensagem por LinceS@T »

Duzia12 Escreveu:Não funciona o dele nem outro qualquer não há solução
Como não à solução se utilizar um automato programável consegue-se fazer e mesmo com relés.

Aqui deixo o esquema de ligar e desligar cada lampada com botões de pressão NO, se carregar uma vêz em S1 ligo a lampada 1, se voltar a carregar em S1 desligo a lâmpada 1, se carregar uma vêz em S5 ligo todas as lampadas se voltar a carregar em s5 desligo todas.
Aqui fica o esquema de ligações e respectiva programação em FBD.


Mas querem o esquema com telerruptores ou automato, ou relés?

cumprimentos
Anexos
Programa.JPG
Programa.JPG (22.83 KiB) Visto 2558 vezes
Esquema.JPG
Esquema.JPG (58.68 KiB) Visto 2558 vezes
Saber não ocupa espaço.
ohmico
Técnico Dedicado
Técnico Dedicado
Mensagens: 1922
Registado: 22 fev 2008, 14:44
Enviou: 18 vezes
Agradecimento recebido: 82 vezes

Re: Esquema com telerruptores ou autómato

Mensagem por ohmico »

Boas,

este poste tinha sido publidado erradamente

as minhas desculpas, pode ser eliminado p.f.

ohmico
Última edição por ohmico em 03 mar 2010, 17:00, editado 1 vez no total.
ohmico
Técnico Dedicado
Técnico Dedicado
Mensagens: 1922
Registado: 22 fev 2008, 14:44
Enviou: 18 vezes
Agradecimento recebido: 82 vezes

Re: Esquema com telerruptores ou autómato

Mensagem por ohmico »

rainbow Escreveu:
ohmico Escreveu:
ohmico Escreveu:Boas,

vejam lá se este autómato serve:
Lâmp Telerruptor.jpg
ohmico

Está aqui um que funciona e para a quantidade de lâmpadas que pretenderem.

Este eu ofereço extra-concurso...

É uma chatice quando isto vai um pouco além da construção civil... começam logo os ataques pessoais.

ohmico
Boa tarde.

Por acaso, também não funciona :D . O botão S1 precisa de ser NF (NC).
Eu queria pedir a um engenheiro de automação, o favor de vir a este tópico, dar o seu parecer.


Boas,

será que que terá analisado o esquema que eu postei ou terá sido outro?

ohmico
Avatar do Utilizador
LinceS@T
Velha Guarda
Velha Guarda
Mensagens: 233
Registado: 21 jan 2008, 22:54
Localização: Évora - Engº de Energia e Sistemas de Potência e Automação

Re: Esquema com telerruptores ou autómato

Mensagem por LinceS@T »

Amigo ohmico como o amigo rainbow explicou o contacto S1 têm que ser normalmente fechado para funcionar.

O esquema que apresentei, ligo individualmente cada circuito, ou posso ligar e desligar todos os circuitos ao mesmo tempo.

Cumprimentos
Saber não ocupa espaço.
Avatar do Utilizador
LinceS@T
Velha Guarda
Velha Guarda
Mensagens: 233
Registado: 21 jan 2008, 22:54
Localização: Évora - Engº de Energia e Sistemas de Potência e Automação

Re: Esquema com telerruptores ou autómato

Mensagem por LinceS@T »

À moderação deste forum, já que nos dias de hoje se recorre muito a automatos programáveis, lanço aqui um desafio!
Iniciar um curso de automação online aqui no forum.
Com os seguintes temas:
Simbologia ligada a automação. - exercicios
Automação com contactos/relés - exercicios
Circuitos eléctricos Lógicos - exercicios
Algebra de Bool - exercicios
Automação com recurso a automatos - exercicios
Linguagem de programação de automatos - exercicios

Os membros deveriam se inscrever para esta participação, propondo um determinado horário para estar online e participarem.
Criar regras para uma boa conduta na linguagem entre membros, para não se partir para ofensas.

Para o final de Abril estarei disponivel, se a administração assim o entender.

Cumprimentos
Saber não ocupa espaço.
neutro
Curioso
Curioso
Mensagens: 12
Registado: 18 dez 2007, 22:57
Localização: Póvoa de Varzim

Re: Esquema com telerruptores ou autómato

Mensagem por neutro »

LinceS@T Escreveu:À moderação deste forum, já que nos dias de hoje se recorre muito a automatos programáveis, lanço aqui um desafio!
Iniciar um curso de automação online aqui no forum.
Com os seguintes temas:
Simbologia ligada a automação. - exercicios
Automação com contactos/relés - exercicios
Circuitos eléctricos Lógicos - exercicios
Algebra de Bool - exercicios
Automação com recurso a automatos - exercicios
Linguagem de programação de automatos - exercicios

Os membros deveriam se inscrever para esta participação, propondo um determinado horário para estar online e participarem.
Criar regras para uma boa conduta na linguagem entre membros, para não se partir para ofensas.

Para o final de Abril estarei disponivel, se a administração assim o entender.

Cumprimentos



Boas pessoal!!!
Gostei bastante desta ideia,boa maneira de aprender-mos uns com os outros sempre ficamos um pouco mais inteligentes :D
ohmico
Técnico Dedicado
Técnico Dedicado
Mensagens: 1922
Registado: 22 fev 2008, 14:44
Enviou: 18 vezes
Agradecimento recebido: 82 vezes

Re: Esquema com telerruptores ou autómato

Mensagem por ohmico »

Boas,

Funcionamento do esquema proposto:

S(LE/DE) - Liga / Desliga o telerruptor K1A

Contacto K1A (13-14) - Liga / desliga K1B

Contacto K1B (23-24) - liga / desliga a lâmpada.

S1(Geral) - Permite desligar todos os telerruptores que se encontrarem ligados, por intermédio do contacto K1B (13-14) que se encontra fechado

sempre que a lâmpadaa estiver ligada.


Se calhar estou a vêr mal a coisa.

ohmico
Duzia12
Oficial
Oficial
Mensagens: 5316
Registado: 27 fev 2008, 20:53
Localização: Barcelos
Enviou: 3 vezes
Agradecimento recebido: 17 vezes

Re: Esquema com telerruptores ou autómato

Mensagem por Duzia12 »

Isso por relés não funciona!!!!!!!!!
Avatar do Utilizador
LinceS@T
Velha Guarda
Velha Guarda
Mensagens: 233
Registado: 21 jan 2008, 22:54
Localização: Évora - Engº de Energia e Sistemas de Potência e Automação

Re: Esquema com telerruptores ou autómato

Mensagem por LinceS@T »

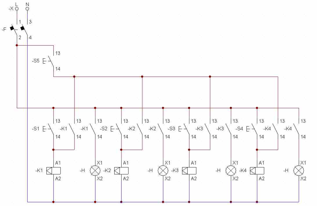
Aqui vai um esquema só com telerruptores.
Deixo o ficheiro do Cade_simu para testarem.
S5 desliga os circuitos que estão ligados.
cumprimentos
Anexos
telerruptor.rar
(1.06 KiB) Transferido 165 vezes
teleruptores.jpg
(34.21 KiB) Transferido 48 vezes
Saber não ocupa espaço.
bacalhau
Aprendiz
Aprendiz
Mensagens: 156
Registado: 08 abr 2008, 20:35

Re: Esquema com telerruptores ou autómato

Mensagem por bacalhau »

Olá
Funciona e bem
Parabéns
Bacalhau
*sempre é possivel com teleruptores e sem grande complicação ...há que pensar............queimar os fusiveis
Avatar do Utilizador
nelmindo
Team Apoio
Team Apoio
Mensagens: 5463
Registado: 14 abr 2008, 10:52
Localização: PORTO
Enviou: 23 vezes
Agradecimento recebido: 204 vezes

Re: Esquema com telerruptores ou autómato

Mensagem por nelmindo »

sim, com telerruptores funciona. Se repararem, o 1º post colocado por mim, propunha o uso do relé programável, para usar telerruptores virtuais...
Se eles funcionam, os reais também...
Os reias têm que ter a particularidade de dois contactos NA.
rainbow
Velha Guarda
Velha Guarda
Mensagens: 1426
Registado: 10 ago 2009, 10:15
Enviou: 16 vezes
Agradecimento recebido: 40 vezes

Re: Esquema com telerruptores ou autómato

Mensagem por rainbow »

Bom dia.

Sim, ESTE funciona.
ohmico
Técnico Dedicado
Técnico Dedicado
Mensagens: 1922
Registado: 22 fev 2008, 14:44
Enviou: 18 vezes
Agradecimento recebido: 82 vezes

Re: Esquema com telerruptores ou autómato

Mensagem por ohmico »

Boas,

eléctricamente é rigorosamente a mesma coisa com recurso a telerruptores com dois contactos.

Em termos de material e espaço é uma solução melhor.

ohmico
xtemas
Curioso
Curioso
Mensagens: 41
Registado: 03 set 2007, 16:19

Re: Esquema com telerruptores ou autómato

Mensagem por xtemas »

Obrigado a todos, o esquema do LinceS@T resolve o meu problema.
Este fórum é algo de muito importante para os interessados em electricidade, quer sejam profissionais ou amadores, temos que manter este fórum em funcionamento por muitos anos.
Responder

Voltar para “Esquemas Elétricos”