Alternancia - URGENTE

Avatar do Utilizador
patinhofeio
Quadro de Honra
Quadro de Honra
Mensagens: 513
Registado: 30 mar 2008, 10:45
Localização: 150 Km de Lisboa

Re: Alternancia - URGENTE

Mensagem por patinhofeio »

Boas...
jodsbrum, o esquema que colocou, o que faz é arrancar sempre com as 2 bombas em simultâneo, até que falte a água numa delas, ou até que o pressostato desligue.
Para essa função, é mais simples ainda. Basta fazer a remoção do relé de alternância, da forma que alterei. Cada bomba tem a sua protecção de falta de agua, e se ligarem as 2 em simultâneo apenas é precisa esta alteração.

Mas será que a tubagem ou a corrente eléctrica suportam as 2 bombas a funcionar em simultâneo? Pode não suportar.
Abraço
Cópia de Esquema.JPG
(144.28 KiB) Transferido 87 vezes
Aprender sem pensar é tempo perdido - Confúcio
Participar neste fórum é um privilégio e não um direito
A vida é uma escola. Quem não aprende com a vida, considere-se morto
jodsbrum
Velha Guarda
Velha Guarda
Mensagens: 174
Registado: 20 ago 2009, 16:05
Localização: Ilha do Pico - Açôres
Agradecimento recebido: 5 vezes

Re: Alternancia - URGENTE

Mensagem por jodsbrum »

Ó amigo patinho feio, desculpe lá mas você deve estar a ver mal o esquema, quanto às 2 bombas ficarem ligadas não sei como, pois a segunda bomba só entra ao serviço quando o nível da água do furo atingir o mínimo e a primeira desliga e tudo isto através do relé KA2 .
Avatar do Utilizador
patinhofeio
Quadro de Honra
Quadro de Honra
Mensagens: 513
Registado: 30 mar 2008, 10:45
Localização: 150 Km de Lisboa

Re: Alternancia - URGENTE

Mensagem por patinhofeio »

jodsbrum Escreveu:Ó amigo patinho feio, desculpe lá mas você deve estar a ver mal o esquema, quanto às 2 bombas ficarem ligadas não sei como, pois a segunda bomba só entra ao serviço quando o nível da água do furo atingir o mínimo e a primeira desliga e tudo isto através do relé KA2 .
Boas...
Na verdade interpretei mal o crcuito, mas mesmo assim tem um bug.
A ideia provavelmente é fazer alternancia das bombas(seja para poupar ambas ou para usar a agua das duas fontes). Da forma como o esquema esta alterado, apenas funciona o furo, e só em falta desse é que entra o poço. Na verdade é uma solução, só não sei se é a pretendida.

PS: para isso, até podia ser feito com um contacto normalmente fexado de km1 para fechar o contacto ka2, e evitava-se assim o relé. Mas la esta, assim não ha alternancia.
Aprender sem pensar é tempo perdido - Confúcio
Participar neste fórum é um privilégio e não um direito
A vida é uma escola. Quem não aprende com a vida, considere-se morto
jodsbrum
Velha Guarda
Velha Guarda
Mensagens: 174
Registado: 20 ago 2009, 16:05
Localização: Ilha do Pico - Açôres
Agradecimento recebido: 5 vezes

Re: Alternancia - URGENTE

Mensagem por jodsbrum »

Tem toda a razão patinhofeio, mas se reparar no diálogo que temos tido, eu pelo menos fiquei com a ideia de que era assim que o RUBENSS queria, ficar a bomba do furo como bomba principal e por falta desta, ou falta de água no furo, arrancava a bomba do poço, mas se assim não for ele que diga.
RUBENSS
Curioso
Curioso
Mensagens: 94
Registado: 09 fev 2009, 11:49
Enviou: 3 vezes
Agradecimento recebido: 3 vezes

Re: Alternancia - URGENTE

Mensagem por RUBENSS »

Olá a todos
ainda n tive a aportunidade de fazer as alterações
no enatnto e de modo a simplificar a coisa peço para que vejam esta possibilidade:
"xantar" o 5 e 6 do relé de alternãncia e colocar no 6 - 7 o sinal de reforço vindo das sondas, assim quando faltasse água entraria a outra bomba "reforço"
Anexos
Esquema3.JPG
(153.16 KiB) Transferido 69 vezes
jodsbrum
Velha Guarda
Velha Guarda
Mensagens: 174
Registado: 20 ago 2009, 16:05
Localização: Ilha do Pico - Açôres
Agradecimento recebido: 5 vezes

Re: Alternancia - URGENTE

Mensagem por jodsbrum »

RUBENSS agradecia que explicasses bem o que queres, porque se queres a bomba do furo como principal e só a do poço arranca por falta de água no furo ou queres que arranque a do furo e depois arrancas a do poço para reforçar o caudal?
É que se queres a primeira opção o esquema que enviei funciona se queres a segunda temos de ver isso com calma, mas tens de explicar o queres.
RUBENSS
Curioso
Curioso
Mensagens: 94
Registado: 09 fev 2009, 11:49
Enviou: 3 vezes
Agradecimento recebido: 3 vezes

Re: Alternancia - URGENTE

Mensagem por RUBENSS »

quero que uma delas trabalhe e quando faltar algaua ligue a outra
vi o seu esquema e me parece correcto, apenas n tenho é muit espaço, e n queria ter de adicionar mais material
jodsbrum
Velha Guarda
Velha Guarda
Mensagens: 174
Registado: 20 ago 2009, 16:05
Localização: Ilha do Pico - Açôres
Agradecimento recebido: 5 vezes

Re: Alternancia - URGENTE

Mensagem por jodsbrum »

Em primeiro lugar não vais ter problemas de espaço, uma vez que tiras o relé de alternancia, mas mesmo assim se quiseres em vez de utilizares o relé KA2 podes utilizar um contacto auxiliar do contactor da bomba do furo, uma vez que ela pare o contacto fecha e arranca a bomba do poço.
RUBENSS
Curioso
Curioso
Mensagens: 94
Registado: 09 fev 2009, 11:49
Enviou: 3 vezes
Agradecimento recebido: 3 vezes

Re: Alternancia - URGENTE

Mensagem por RUBENSS »

sim, pode ser, mas já agora, a minha proposta serve?
jodsbrum
Velha Guarda
Velha Guarda
Mensagens: 174
Registado: 20 ago 2009, 16:05
Localização: Ilha do Pico - Açôres
Agradecimento recebido: 5 vezes

Re: Alternancia - URGENTE

Mensagem por jodsbrum »

Ao shuntar o 6 e o 7 vais é ligar as duas bombas o que dará é um reforço de caudal, mas sendo shuntado através do nivel do furo irias desligar a bomba do furo, talvez funcionasse mas não deicha de ser muito confuso.
RUBENSS
Curioso
Curioso
Mensagens: 94
Registado: 09 fev 2009, 11:49
Enviou: 3 vezes
Agradecimento recebido: 3 vezes

Re: Alternancia - URGENTE

Mensagem por RUBENSS »

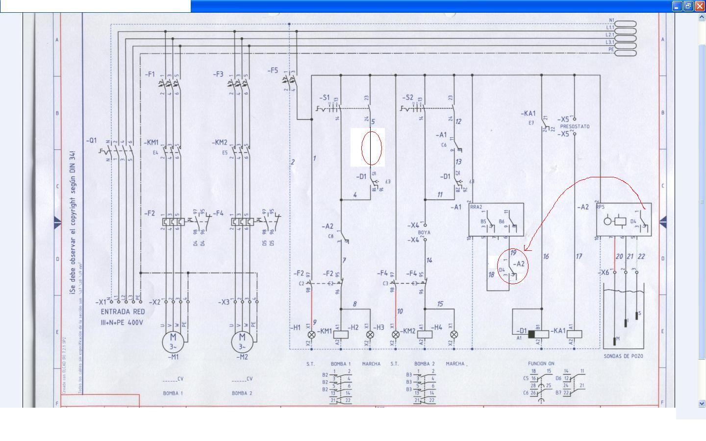
ora, ai está uma solução simples, agora só espero que funcione qdo implementar
Anexos
Quadro.JPG
(279.75 KiB) Transferido 47 vezes
RUBENSS
Curioso
Curioso
Mensagens: 94
Registado: 09 fev 2009, 11:49
Enviou: 3 vezes
Agradecimento recebido: 3 vezes

Re: Alternancia - URGENTE

Mensagem por RUBENSS »

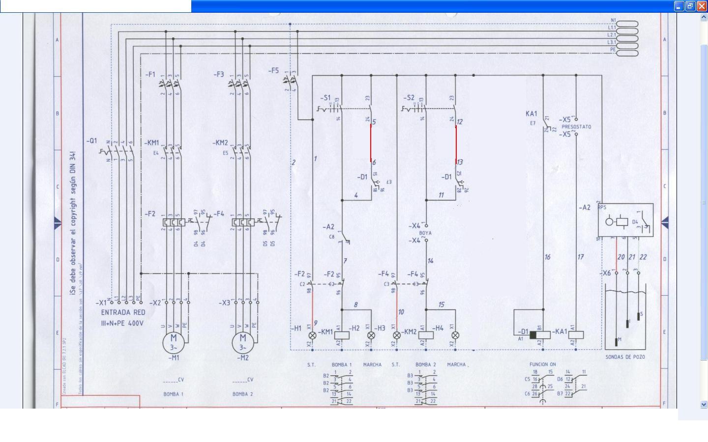
axo que o anterior n resolvia, mas e este?
Anexos
Quadro3.JPG
(284.47 KiB) Transferido 36 vezes
jodsbrum
Velha Guarda
Velha Guarda
Mensagens: 174
Registado: 20 ago 2009, 16:05
Localização: Ilha do Pico - Açôres
Agradecimento recebido: 5 vezes

Re: Alternancia - URGENTE

Mensagem por jodsbrum »

Assim funciona e até te resta material, só te falta experimentar
RUBENSS
Curioso
Curioso
Mensagens: 94
Registado: 09 fev 2009, 11:49
Enviou: 3 vezes
Agradecimento recebido: 3 vezes

Re: Alternancia - URGENTE

Mensagem por RUBENSS »

ok, obrigado pela ajuda.
depois mando o resultado
RUBENSS
Curioso
Curioso
Mensagens: 94
Registado: 09 fev 2009, 11:49
Enviou: 3 vezes
Agradecimento recebido: 3 vezes

Re: Alternancia - URGENTE

Mensagem por RUBENSS »

boas

5* tudo a funcionar como previsto
15 anos sem ver esse tipo de materiais e agora custou um pouco a entrar no sistema, mas graça a ajuda do pessoal ficou a funcionar e tb ja estou elucidado sobre o funcionamento das coisas.
Mais uma vez obrigado.
Responder

Voltar para “Esquemas Elétricos”