Alternancia - URGENTE

RUBENSS
Curioso
Curioso
Mensagens: 94
Registado: 09 fev 2009, 11:49
Enviou: 3 vezes
Agradecimento recebido: 3 vezes

Alternancia - URGENTE

Mensagem por RUBENSS »

Bom dia

Tenho de adicionar um relé de alternãncia para o comando de 2 bombas.
no entanto pretendia que a alternância fosse feita a partir de 2 situações

tenho uma bomba no furo com sondas e uma bomba num poço com boia

ou seja, quando estiver a trabalhar a bomba do poço e acabar a água (boia) quero fazer a alternacnia, ou qdo estiver a trabalhar a do furo e acabar a água (sondas) quero tb alternar

alguem poderia me dizer se posso colocar direcamente o sinal da boi e das sondas directamente nos contactos 5 e 6 do relé de alternância?

pois se a boia da sinal de falta de água manda sinal para alternar, mas enquanto não encher o poço esta boi estará sempre a mandar sinal para a alternância, haverá problemas?
jodsbrum
Velha Guarda
Velha Guarda
Mensagens: 174
Registado: 20 ago 2009, 16:05
Localização: Ilha do Pico - Açôres
Agradecimento recebido: 5 vezes

Re: Alternancia - URGENTE

Mensagem por jodsbrum »

Que tipo de relé de alternancia tens?
RUBENSS
Curioso
Curioso
Mensagens: 94
Registado: 09 fev 2009, 11:49
Enviou: 3 vezes
Agradecimento recebido: 3 vezes

Re: Alternancia - URGENTE

Mensagem por RUBENSS »

o ultimo que está no anexo
Anexos
080723_Reles_Nivel_-_Info.tecnica.pdf
(963.8 KiB) Transferido 458 vezes
080723_Reles_Nivel_-_Info.tecnica.pdf
(963.8 KiB) Transferido 260 vezes
jodsbrum
Velha Guarda
Velha Guarda
Mensagens: 174
Registado: 20 ago 2009, 16:05
Localização: Ilha do Pico - Açôres
Agradecimento recebido: 5 vezes

Re: Alternancia - URGENTE

Mensagem por jodsbrum »

Mas afinal como é o funcionamento dessas bombas, a do furo é para enchimento do poço e a do poço é para bombar a água para os consumidores ou não?
Agradecia que me esplicasses melhor esse funcionamento das bombas.
RUBENSS
Curioso
Curioso
Mensagens: 94
Registado: 09 fev 2009, 11:49
Enviou: 3 vezes
Agradecimento recebido: 3 vezes

Re: Alternancia - URGENTE

Mensagem por RUBENSS »

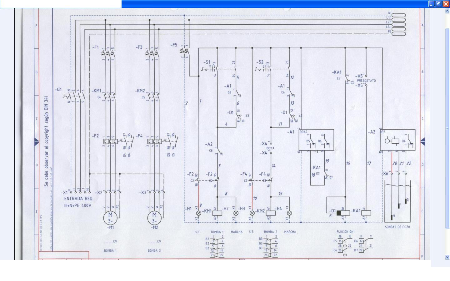
O funcionamento é o seguinte:

O furo bomba para um deposito “A” que serve a aldeia
O poço bomba para o mesmo depósito “A”
O que pretendo é que uma bomba trabalhe de cada vez e seja feita a alternância qdo faltar a água.

Em anexo envio esquema do quadro actual, sendo o seu funcionamento assim:

Uma das bombas está a trabalhar e quando encher o tal depósito “A” o pressostator faz a alternância, o problema é que se quando n tem água para encher o depósito”A” ela nunca faz a alternância.
Ou seja o quadro foi mal feito a raiz.

Quero então que uma das bombas trabalhe e quando faltar água a outra trabalhe também.
Vejam se estou correcto.
Posso fazer com que uma trabalhe normalmente e quando faltar água liga o “reforço”

Caso alguém possa ajudar agradeço que me indiquem (segundo o esquema em anexo) de onde posso sacar os sinais e onde devo ligar.

Cumprimentos a todos
Anexos
Esquema.JPG
(150.38 KiB) Transferido 353 vezes
Esquema.JPG
(150.38 KiB) Transferido 354 vezes
jodsbrum
Velha Guarda
Velha Guarda
Mensagens: 174
Registado: 20 ago 2009, 16:05
Localização: Ilha do Pico - Açôres
Agradecimento recebido: 5 vezes

Re: Alternancia - URGENTE

Mensagem por jodsbrum »

Caro amigo, segundo eu entendi, o relé de alternancia para fazer a alternancia tem de estar com os contactos 5 e 6 shantados, daí não vêr problema algum ficar o nivel ligado nestes contactos enquanto não encher o tanque. Agora você pergunta se pode ligar no 5 e 6 o nivel ou a sonda, mas segundo eu percebi o que deve ligar no 5 e 6 será o nivel do tanque, que é para quando estiver cheio ou vazio, desligar ou ligar a bomba 2 e não o nivel do poço ou a sonda do furo, pois estes servem é para parar as bombas quando o furo ou o poço atingirem o nivel minimo.
RUBENSS
Curioso
Curioso
Mensagens: 94
Registado: 09 fev 2009, 11:49
Enviou: 3 vezes
Agradecimento recebido: 3 vezes

Re: Alternancia - URGENTE

Mensagem por RUBENSS »

ola desde já agradeço a resposta, no entanto n tenho sensores boias ou sondas no tanque, pois o memso está muito longe, o sistema par por pressostator.
mas segundo entendi xanto o 5-6 e fica por exemplo a bomba do furo sempre a trabalhar (desde que: haja agua e o pressostator n dispare)
coloco nos contactos 6-7 o sinal de falta de a´gua do mesmo furo, sendo assim quando faltar a´gua no furo também liga a bomba do poço.

penso que assim irá funcionar.
ou estarei errado?
jodsbrum
Velha Guarda
Velha Guarda
Mensagens: 174
Registado: 20 ago 2009, 16:05
Localização: Ilha do Pico - Açôres
Agradecimento recebido: 5 vezes

Re: Alternancia - URGENTE

Mensagem por jodsbrum »

Julgo que agora é que percebi o que pretendes e é que a bomba do furo seja a bomba principal e por isso é que entra sempre primeiro em serviço (se houver água no furo) e por falta de água no furo entra a do poço e a paragem de qualquer das bombas é feita através do pressostato ou então dos respectivos níveis mínimos tanto do furo ou do poço.
Para isso eu ligava no 5-6 o nível mínimo do furo, para que ele accione a alternância e arranque a bomba do poço, mas não esquecer que esse nível mínimo também tem de desligar a bomba do furo.
Avatar do Utilizador
patinhofeio
Quadro de Honra
Quadro de Honra
Mensagens: 513
Registado: 30 mar 2008, 10:45
Localização: 150 Km de Lisboa

Re: Alternancia - URGENTE

Mensagem por patinhofeio »

Boas...
Julgo que o circuito do esquema anexado é o do quadro em questão. Se assim for, pelo que percebo do esquema, quando é necessária agua, liga uma bomba ou outra em alternância. O que está a faltar é so prever que em caso de falta de agua na fonte actual, ele tem de comutar para a outra fonte. Se for este o funcionamento actual, a solução rápida possível, é shuntar os pinos 5 e 7 do relé de alternância, mantendo as restantes ligações inalterados, mas desta forma arrancam as 2 bombas em simultâneo até faltar a agua numa das fontes.
Outra solução, só mesmo reformular o quadro para prever essa funcionalidade.
Sendo este o esquema de um quadro para alimentação de um sistema de aguas de aldeia, julgo faltarem nele sistemas de redundância de falhas. Neste esquema, não me parece existir nada para colmatar a avaria de uma bomba, ou a alternância para a seguinte em caso de actuar uma protecção.
Com tempo, podia desenhar um circuito completo e redundante, mas la está.o tempo nem sempre é o desejável.
Abraço
Aprender sem pensar é tempo perdido - Confúcio
Participar neste fórum é um privilégio e não um direito
A vida é uma escola. Quem não aprende com a vida, considere-se morto
jodsbrum
Velha Guarda
Velha Guarda
Mensagens: 174
Registado: 20 ago 2009, 16:05
Localização: Ilha do Pico - Açôres
Agradecimento recebido: 5 vezes

Re: Alternancia - URGENTE

Mensagem por jodsbrum »

Eu fazias as alterações que enviei no esquema em anexo, são simples e julgo que vão resolver o problema.
Anexos
ESQUEMA.jpg
(187.87 KiB) Transferido 287 vezes
Avatar do Utilizador
patinhofeio
Quadro de Honra
Quadro de Honra
Mensagens: 513
Registado: 30 mar 2008, 10:45
Localização: 150 Km de Lisboa

Re: Alternancia - URGENTE

Mensagem por patinhofeio »

Boas.
O esquema do colega jodsbrum apenas resolve meio problema. Da forma que está, ora arranca apenas a bomba do furo, ora arrancam as duas( a alternância entre uma e outra foi anulada, e a do furo esta sem alternância). Alem disso, o problema mantém-se: Se estiver no ciclo de tirar agua do furo e esta acabar, não há nada que o faça ligar a bomba do poço.
Abraço
Aprender sem pensar é tempo perdido - Confúcio
Participar neste fórum é um privilégio e não um direito
A vida é uma escola. Quem não aprende com a vida, considere-se morto
jodsbrum
Velha Guarda
Velha Guarda
Mensagens: 174
Registado: 20 ago 2009, 16:05
Localização: Ilha do Pico - Açôres
Agradecimento recebido: 5 vezes

Re: Alternancia - URGENTE

Mensagem por jodsbrum »

Amigo patinhofeio, ou o relé de aternancia não funciona como eu estou a pensar, ou então quando o nivel do furo atingir o minimo irá desligar a bomba do furo e accionar o relé de alternancia que irá arrancar a bomba do poço, ou eu estou a vêr isto mal.
RUBENSS
Curioso
Curioso
Mensagens: 94
Registado: 09 fev 2009, 11:49
Enviou: 3 vezes
Agradecimento recebido: 3 vezes

Re: Alternancia - URGENTE

Mensagem por RUBENSS »

penso que a observação do jodsbrum está correcta pois assim não irá fazer alternância, mas sim o reforço quando acabar a água do furo.
ou seja deste modo o furo desde que tenha água trabalha sendo que qdo houver falta de água vai ligar a do poço.

A ver se sexta feira faço e digo o resultado
Avatar do Utilizador
patinhofeio
Quadro de Honra
Quadro de Honra
Mensagens: 513
Registado: 30 mar 2008, 10:45
Localização: 150 Km de Lisboa

Re: Alternancia - URGENTE

Mensagem por patinhofeio »

jodsbrum Escreveu:Amigo patinhofeio, ou o relé de aternancia não funciona como eu estou a pensar, ou então quando o nivel do furo atingir o minimo irá desligar a bomba do furo e accionar o relé de alternancia que irá arrancar a bomba do poço, ou eu estou a vêr isto mal.
Boas.
O relé de alternância funciona tal como está mencionado no folheto postado sobre o mesmo. Ou seja:
Sempre que o contacto entre 5 e 6 fechar, liga uma bomba; na próxima vez que fechar entre 5 e 6 liga a outra(em alternância); Se fechar o contacto 6 e 7 ligam ambos contactos(as duas bombas em simultâneo).
O esquema que alterou, apenas faz com que a bomba do furo funcione sempre, uma vez funciona sozinha, outra vez funciona em simultâneo com o poço.
Se por acaso no ciclo em que apenas a bomba do furo funcionar se acabar a agua, apenas comuta para o poço depois de desligar e voltar a ligar o pressostato(novo ciclo).

PS: embora aqui esteja instalado um relé de alternância, este não faz grande sentido. A vantagem de utilização do mesmo, é distribuir o tempo de funcionamento entre 2 bombas num mesmo poço/furo. A utilização dos 2 contactos de entrada servem para dar sinal de nível máximo ou emergência. Pode ser usado para ligar uma bomba e sempre que uma não dê rendimento, uma nova bóia(sonda) faz arrancar as 2 bombas em simultâneo.
Abraço
Aprender sem pensar é tempo perdido - Confúcio
Participar neste fórum é um privilégio e não um direito
A vida é uma escola. Quem não aprende com a vida, considere-se morto
jodsbrum
Velha Guarda
Velha Guarda
Mensagens: 174
Registado: 20 ago 2009, 16:05
Localização: Ilha do Pico - Açôres
Agradecimento recebido: 5 vezes

Re: Alternancia - URGENTE

Mensagem por jodsbrum »

RUBENSS o patinhofeio tem razão, de facto com o relé de alternância não iria funcionar bem, mas julgo que no esquema que envio em anexo já se encontra o problema resolvido e da forma mais simples possível.
Guardas o relé de alternância para outra montagem.
Anexos
ESQUEMA.jpg
(147.42 KiB) Transferido 254 vezes
Responder

Voltar para “Esquemas Elétricos”