Olá me chamo Gabriel, estou fazendo faculdade de automação industrial preciso de uma imensa ajuda de vocês, estou montando um projeto de sequenciador temporizado composto de 4 placas no total, uma fonte de corrente contínua de saída 12Vcc, uma placa temporizado com Ne555 (a qual preciso de ajuda para finalizar e corrigir erros que nao encontro), uma placa de acionamento de sinaleiros e um bargraph.
o funcionamento do projeto é simples, é uma demonstração de um processo industrial sequenciado: um botao NA da partida no processo global é um led verde acende, devendo manter-se aceso até a finalização da ultima fase do processo.
Durante cada fase, um led vermelho correspondente acende, e apaga apos 10 segundos. Ou seja, apos o start os leds acendem sequencialmente iniciando pelo LD1 até o LD3, somente um led de cada vez permanecerá aceso durante 10 segundos.
ao final da terceira fase, todos os leds deverão apagar, pois o processo foi finalizado, O tempo total para a finalização das 3 fases é de aprox. 30 segundos. Um sonalarme deve soar durante a terceira e ultima fase, alertando que o processo global será finalizado, ao final da ultima fase o led verde apaga e o sonalarme silencia.
durante cada fase o relé correspondente é energizado, e seus contatos (NA)fecham para ligar o sinaleiro de 127Vac correspondente. Estes sinaleiros sao simulaçoes de trabalho realizado , poderiam ser substituidos por braços robotico ou motores (exemplo). A energização de cada relé é simultanea ao acendimento do led vermelho correspondente. A desenergização ocorre quando cada fase do processo é concluida, o reinicio do processo global se dá mediante o acionamento manual do botao start (liga), que é NA.
abaixo vou deixar os esquematicos das placas, alguns componentes estao sem valores, pois é parte da tarefa calcula-los, porem nao temos nenhum apoio do professor, tendo que nos virar perguntando para os alunos de outros semestres
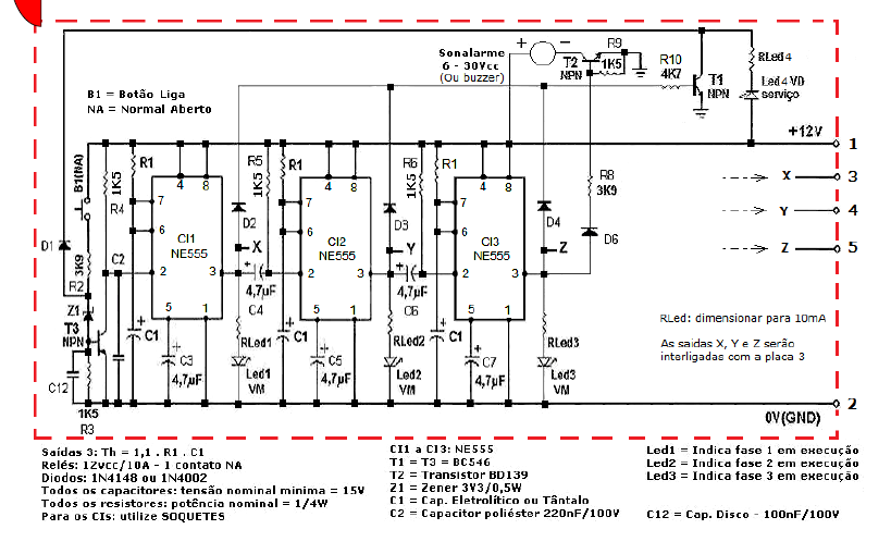
placa temporizadora com NE555
-
Gabriel Prado
- Faça a sua apresentação

- Mensagens: 1
- Registado: 29 ago 2025, 20:13
- Profissão: Estagiário
- Localização: São Paulo
placa temporizadora com NE555
- Anexos
-
- esta é a placa 3 de acionamento dos sinaleiros pelos relés,
- Captura de tela 2025-09-02 184245.png (191.38 KiB) Visto 626 vezes
Re: placa temporizadora com NE555
Boas,
pelo que diz a sua duvida está na interpretação do esquema da placa de temporização, então aqui vai uma dica:
Os 3 NE555 estão em montagem monoestável, portanto quando as suas entradas (2) sã activadas, as saidas (3) passam a nivel alto pelo tempo
definido pelos condensadores C1 e resistências R1.
Um abraço
pelo que diz a sua duvida está na interpretação do esquema da placa de temporização, então aqui vai uma dica:
Os 3 NE555 estão em montagem monoestável, portanto quando as suas entradas (2) sã activadas, as saidas (3) passam a nivel alto pelo tempo
definido pelos condensadores C1 e resistências R1.
Um abraço
