Daikin - avaria
-
asalopes
- Velha Guarda

- Mensagens: 456
- Registado: 23 jun 2008, 13:02
- Localização: Lisboa
- Agradecimento recebido: 82 vezes
Re: Daikin MY56DA7V1 - avaria U4
Caro João Costa,
Perante o seu teste, a avaria estará localizada na unidade exterior.
Depois de refazer as ligações, e voltar a ligar o sistema, comece por medir as tensões alternas:
e também na própria placa
Cumprimentos.
Perante o seu teste, a avaria estará localizada na unidade exterior.
Depois de refazer as ligações, e voltar a ligar o sistema, comece por medir as tensões alternas:
e também na própria placa
Cumprimentos.
-
Cosworth69
- Curioso

- Mensagens: 16
- Registado: 12 jul 2021, 12:18
- Localização: Porto
- Enviou: 8 vezes
Re: Daikin MY56DA7V1 - avaria U4
Obg
Última edição por Cosworth69 em 01 mar 2022, 19:57, editado 1 vez no total.
-
asalopes
- Velha Guarda

- Mensagens: 456
- Registado: 23 jun 2008, 13:02
- Localização: Lisboa
- Agradecimento recebido: 82 vezes
Re: Daikin MY56DA7V1 - avaria U4
Caro João Costa,
Se medir os componentes inseridos no circuito pode obter valores díspares.
Quando sujeito a tensões acima do valor nominal, o varistor tende a entrar em curto circuito o que provoca fusíveis queimados ou disjuntores disparados a montante.
Se for fazendo o levantamento do esquema consegue interpretar melhor os resultados.
Meça as tensões referenciadas na placa:
Na outra face da PCB é comum encontrar "test points" ou gravados valores de tensões referência.
Cumprimentos.
Se medir os componentes inseridos no circuito pode obter valores díspares.
Quando sujeito a tensões acima do valor nominal, o varistor tende a entrar em curto circuito o que provoca fusíveis queimados ou disjuntores disparados a montante.
Se for fazendo o levantamento do esquema consegue interpretar melhor os resultados.
Meça as tensões referenciadas na placa:
Na outra face da PCB é comum encontrar "test points" ou gravados valores de tensões referência.
Cumprimentos.
-
Cosworth69
- Curioso

- Mensagens: 16
- Registado: 12 jul 2021, 12:18
- Localização: Porto
- Enviou: 8 vezes
Re: Daikin MY56DA7V1 - avaria U4
….
Última edição por Cosworth69 em 01 mar 2022, 19:50, editado 1 vez no total.
-
Cosworth69
- Curioso

- Mensagens: 16
- Registado: 12 jul 2021, 12:18
- Localização: Porto
- Enviou: 8 vezes
Re: Daikin MY56DA7V1 - avaria U4
Obg
Última edição por Cosworth69 em 01 mar 2022, 19:57, editado 1 vez no total.
-
Cosworth69
- Curioso

- Mensagens: 16
- Registado: 12 jul 2021, 12:18
- Localização: Porto
- Enviou: 8 vezes
Re: Daikin MY56DA7V1 - avaria U4
Confuso 
Última edição por Cosworth69 em 01 mar 2022, 19:50, editado 1 vez no total.
-
asalopes
- Velha Guarda

- Mensagens: 456
- Registado: 23 jun 2008, 13:02
- Localização: Lisboa
- Agradecimento recebido: 82 vezes
Re: Daikin MY56DA7V1 - avaria U4
Caro João Costa,
Tem de pesquisar a alimentação de 5 Volt para o microprocessador.
As suas imagens da placa não permitem ver a referência dos componentes, mas procure os que destaco na imagem:
Existem quatro conjuntos, aparentemente constituídos por 4 díodos (em ponte?), um regulador de tensão (?) e um díodo Zener.
A confirmar-se, a designação dos reguladores indica-lhe a tensão.
Identifique os componentes que indico abaixo, pois não constam do esquema da máquina!
Verificou a outra face da placa?
Tem fotos com designação dos componentes?
Cumprimentos.
Tem de pesquisar a alimentação de 5 Volt para o microprocessador.
As suas imagens da placa não permitem ver a referência dos componentes, mas procure os que destaco na imagem:
Existem quatro conjuntos, aparentemente constituídos por 4 díodos (em ponte?), um regulador de tensão (?) e um díodo Zener.
A confirmar-se, a designação dos reguladores indica-lhe a tensão.
Identifique os componentes que indico abaixo, pois não constam do esquema da máquina!
Verificou a outra face da placa?
Tem fotos com designação dos componentes?
Cumprimentos.
-
asalopes
- Velha Guarda

- Mensagens: 456
- Registado: 23 jun 2008, 13:02
- Localização: Lisboa
- Agradecimento recebido: 82 vezes
Re: Daikin MY56DA7V1 - avaria U4
Caro João Costa,
Olhando melhor para esquemas e fotos:
Agora, com ajuda de "datasheet", se necassário, deve confirmar estas tensões.
Cumprimentos.
Olhando melhor para esquemas e fotos:
Agora, com ajuda de "datasheet", se necassário, deve confirmar estas tensões.
Cumprimentos.
-
Cosworth69
- Curioso

- Mensagens: 16
- Registado: 12 jul 2021, 12:18
- Localização: Porto
- Enviou: 8 vezes
Re: Daikin MY56DA7V1 - avaria U4
Bom dia,
Obg
Obg
Última edição por Cosworth69 em 01 mar 2022, 19:51, editado 2 vezes no total.
-
asalopes
- Velha Guarda

- Mensagens: 456
- Registado: 23 jun 2008, 13:02
- Localização: Lisboa
- Agradecimento recebido: 82 vezes
Re: Daikin MY56DA7V1 - avaria U4
Caro João Costa,
Obrigado pela informação.
Até onde chegaram as suas investigações de fim de semana?
Tem mais algumas pistas?
Qual a referência do microprocessador? Tem alimentação?
Cumprimentos.
Obrigado pela informação.
Até onde chegaram as suas investigações de fim de semana?
Tem mais algumas pistas?
Qual a referência do microprocessador? Tem alimentação?
Cumprimentos.
-
Cosworth69
- Curioso

- Mensagens: 16
- Registado: 12 jul 2021, 12:18
- Localização: Porto
- Enviou: 8 vezes
Re: Daikin MY56DA7V1 - avaria U4
Boa tarde,
Desde já obg
Obg,
Desde já obg
Obg,
Última edição por Cosworth69 em 01 mar 2022, 19:51, editado 1 vez no total.
-
asalopes
- Velha Guarda

- Mensagens: 456
- Registado: 23 jun 2008, 13:02
- Localização: Lisboa
- Agradecimento recebido: 82 vezes
Re: Daikin MY56DA7V1 - avaria U4
Caro João Costa,
Quando afirmou:
"Tenho formação de electrónica, sei trabalhar com um multimetro e com o mesmo testar a maioria dos componentes"
- cheguei a pensar que poderia por si resolver este problema mas verifico aí algumas dificuldades para prosseguir.
Provavelmente tais lacunas aumentam se tiver que identificar componentes do circuito termodinâmico.
Admiro, contudo, a sua coragem em tentar mesmo com as suas limitações.
Não é matéria que, à distância e de forma segura, se possa diagnosticar a menos que seja alguém que conhece o equipamento de "olhos fechados".
Em todo o caso disponha para qualquer ajuda que entenda necessária.
Cumprimentos.
Quando afirmou:
"Tenho formação de electrónica, sei trabalhar com um multimetro e com o mesmo testar a maioria dos componentes"
- cheguei a pensar que poderia por si resolver este problema mas verifico aí algumas dificuldades para prosseguir.
Provavelmente tais lacunas aumentam se tiver que identificar componentes do circuito termodinâmico.
Admiro, contudo, a sua coragem em tentar mesmo com as suas limitações.
Não é matéria que, à distância e de forma segura, se possa diagnosticar a menos que seja alguém que conhece o equipamento de "olhos fechados".
Em todo o caso disponha para qualquer ajuda que entenda necessária.
Cumprimentos.
-
Cosworth69
- Curioso

- Mensagens: 16
- Registado: 12 jul 2021, 12:18
- Localização: Porto
- Enviou: 8 vezes
Re: Daikin MY56DA7V1 - avaria U4
Boa
Última edição por Cosworth69 em 01 mar 2022, 19:52, editado 1 vez no total.
-
Cosworth69
- Curioso

- Mensagens: 16
- Registado: 12 jul 2021, 12:18
- Localização: Porto
- Enviou: 8 vezes
Re: Daikin MY56DA7V1 - avaria U4
Boa tarde,
Obg
Obg
Última edição por Cosworth69 em 01 mar 2022, 19:57, editado 1 vez no total.
-
asalopes
- Velha Guarda

- Mensagens: 456
- Registado: 23 jun 2008, 13:02
- Localização: Lisboa
- Agradecimento recebido: 82 vezes
Re: Daikin MY56DA7V1 - avaria U4
Caro João Costa,
A avaria está solucionada?
Registou algum progresso na deteção da mesma?
Alguém acedeu ao seu pedido?
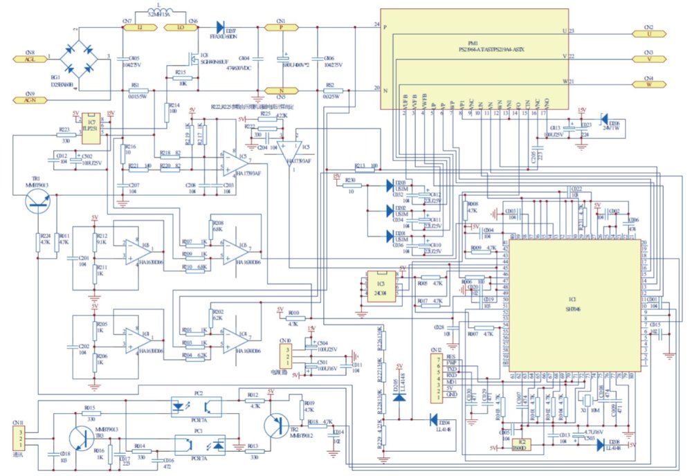
Deixo aqui um esquema de uma placa de um equipamento HAIER, embora não sendo o que pediu, que permite ter uma noção de como se processa o controlo deste tipo de equipamentos.
Tem um processador SH7046 da RENESAS que é comum encontrar em algumas marcas de ar condicionado. No “site” da RENESAS encontra um belo manual de mais de 600 páginas sobre este processador.
Em relação ao seu DAIKIN, comece por identificar todos os “periféricos” e atente no seu bom estado. Algumas das avarias nas placas resultam de defeitos noutros componentes associados.
Aqui vai uma ajuda:
S1 – Alimentação do transformador (230V)
S2 – Saída do transformador (12V)
S3 – Pressostato de alta pressão
S6 – Sensores de temperatura (R1T, R2T, R3T, R4T)
S7 – Sensores de temperatura (R5T, R6T, R11T, R7T, R12T)
S8 – Sensores de temperatura (R8T, T13T)
S10 – Válvula de expansão eletrónica principal (Y10E)
S11 – Válvula de expansão eletrónica unidade A (Y11E)
S12 – Válvula de expansão eletrónica unidade B (Y12E)
S13 – Válvula de expansão eletrónica unidade C (Y13E)
S19 – PCB2 (CT – Transformador de corrente do compressor)
S21 – x
Não chegou a identificar os condutores Yellow, Red e Black, referenciados acima e num “post” anterior?
Espero que a informação lhe possa ser útil.
Cumprimentos.
A avaria está solucionada?
Registou algum progresso na deteção da mesma?
Alguém acedeu ao seu pedido?
Deixo aqui um esquema de uma placa de um equipamento HAIER, embora não sendo o que pediu, que permite ter uma noção de como se processa o controlo deste tipo de equipamentos.
Tem um processador SH7046 da RENESAS que é comum encontrar em algumas marcas de ar condicionado. No “site” da RENESAS encontra um belo manual de mais de 600 páginas sobre este processador.
Em relação ao seu DAIKIN, comece por identificar todos os “periféricos” e atente no seu bom estado. Algumas das avarias nas placas resultam de defeitos noutros componentes associados.
Aqui vai uma ajuda:
S1 – Alimentação do transformador (230V)
S2 – Saída do transformador (12V)
S3 – Pressostato de alta pressão
S6 – Sensores de temperatura (R1T, R2T, R3T, R4T)
S7 – Sensores de temperatura (R5T, R6T, R11T, R7T, R12T)
S8 – Sensores de temperatura (R8T, T13T)
S10 – Válvula de expansão eletrónica principal (Y10E)
S11 – Válvula de expansão eletrónica unidade A (Y11E)
S12 – Válvula de expansão eletrónica unidade B (Y12E)
S13 – Válvula de expansão eletrónica unidade C (Y13E)
S19 – PCB2 (CT – Transformador de corrente do compressor)
S21 – x
Não chegou a identificar os condutores Yellow, Red e Black, referenciados acima e num “post” anterior?
Espero que a informação lhe possa ser útil.
Cumprimentos.