Esquema de tomada trifásica
-
aureliocoimbra
- Velha Guarda

- Mensagens: 163
- Registado: 28 jun 2012, 13:08
- Localização: Coimbra
- Enviou: 4 vezes
- Agradecimento recebido: 6 vezes
Esquema de tomada trifásica
Viva
Alguém me pode dizer o esquema de ligação da tomada
trifásica que se encontra nos pequenos geradores, que têm
duas ou três tomadas monofásicas e uma trifásica?
Obrigado
Alguém me pode dizer o esquema de ligação da tomada
trifásica que se encontra nos pequenos geradores, que têm
duas ou três tomadas monofásicas e uma trifásica?
Obrigado
-
jorgemiguel4
- Velha Guarda

- Mensagens: 167
- Registado: 02 abr 2014, 18:36
- Localização: Portugal
- Enviou: 3 vezes
- Agradecimento recebido: 1 vez
Re: Esquema de tomada trifásica
Cada tomada monofasica liga a uma fase diferente e ao neutro comum. Logo a noite tento fazer um esquema.
-
aureliocoimbra
- Velha Guarda

- Mensagens: 163
- Registado: 28 jun 2012, 13:08
- Localização: Coimbra
- Enviou: 4 vezes
- Agradecimento recebido: 6 vezes
Re: Esquema de tomada trifásica
Viva
O que pretendia mais exactamente era o seguinte:
Estando de frente para a tomada trifásica que se encontra
no gerador, a que corresponde cada olhal da tomada?
O que pretendia mais exactamente era o seguinte:
Estando de frente para a tomada trifásica que se encontra
no gerador, a que corresponde cada olhal da tomada?
-
jorgemiguel4
- Velha Guarda

- Mensagens: 167
- Registado: 02 abr 2014, 18:36
- Localização: Portugal
- Enviou: 3 vezes
- Agradecimento recebido: 1 vez
Re: Esquema de tomada trifásica
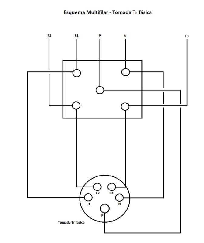
Exemplo de uma tomada de 5 pinos:

L1, L2 e L3 são as fases
N é o Neutro
Earth é Terra
Se a tomada instalada no gerador for apenas de 4 pinos, a ligação é igual mas não existe neutro.
Era isto que queria saber?
L1, L2 e L3 são as fases
N é o Neutro
Earth é Terra
Se a tomada instalada no gerador for apenas de 4 pinos, a ligação é igual mas não existe neutro.
Era isto que queria saber?
-
aureliocoimbra
- Velha Guarda

- Mensagens: 163
- Registado: 28 jun 2012, 13:08
- Localização: Coimbra
- Enviou: 4 vezes
- Agradecimento recebido: 6 vezes
Re: Esquema de tomada trifásica
Vivajorgemiguel4 Escreveu:Exemplo de uma tomada de 5 pinos:
L1, L2 e L3 são as fases
N é o Neutro
Earth é Terra
Se a tomada instalada no gerador for apenas de 4 pinos, a ligação é igual mas não existe neutro.
Era isto que queria saber?
Então significa que eu posso encontrar um gerador com um sistema de tomada trifásica ou outra?
Pensei que houvesse uma norma.
Obrigado
-
jorgemiguel4
- Velha Guarda

- Mensagens: 167
- Registado: 02 abr 2014, 18:36
- Localização: Portugal
- Enviou: 3 vezes
- Agradecimento recebido: 1 vez

