intercomunicador
-
tonecebola
- Curioso

- Mensagens: 15
- Registado: 12 mar 2011, 16:02
intercomunicador
Viva!
Tenho que interligar um trinco eléctrico a três porteiros de marcas diferentes, um da BPT outro da Elvox e outro da golmar.
Tenho receio que se acionarem a abertura de porta ao mesmo tempo possa avariar alguma coisa
Alguem sabe como separar as tres fontes e ficar o trinco comum a todas
obrigado
Tenho que interligar um trinco eléctrico a três porteiros de marcas diferentes, um da BPT outro da Elvox e outro da golmar.
Tenho receio que se acionarem a abertura de porta ao mesmo tempo possa avariar alguma coisa
Alguem sabe como separar as tres fontes e ficar o trinco comum a todas
obrigado
Tudo passa
-
Josecalado
- Técnico Dedicado

- Mensagens: 698
- Registado: 18 abr 2010, 12:23
- Localização: Setúbal
- Enviou: 3 vezes
- Agradecimento recebido: 52 vezes
-
tonecebola
- Curioso

- Mensagens: 15
- Registado: 12 mar 2011, 16:02
Re: intercomunicador
Obrigado pela ajuda!
Já tinha chegado á mesma conclusão. deixei de perder tempo á procura de um dispositivo que fizesse as trocas e resolvi pensar um bocado. Penso que resolvo facilmente a situação com uma fonte de alimentação á parte só para o trinco e com três relés accionados por cada porteiro.
Cumprimentos
Já tinha chegado á mesma conclusão. deixei de perder tempo á procura de um dispositivo que fizesse as trocas e resolvi pensar um bocado. Penso que resolvo facilmente a situação com uma fonte de alimentação á parte só para o trinco e com três relés accionados por cada porteiro.
Cumprimentos
Tudo passa
Re: intercomunicador
Boas tonecebola,
Não precisa de nenhuma fonte suplementar e bastam-lhe 2 reles para garantir a independencia entre os tres sistemas.
Um abraço
Não precisa de nenhuma fonte suplementar e bastam-lhe 2 reles para garantir a independencia entre os tres sistemas.
Um abraço
Re: intercomunicador
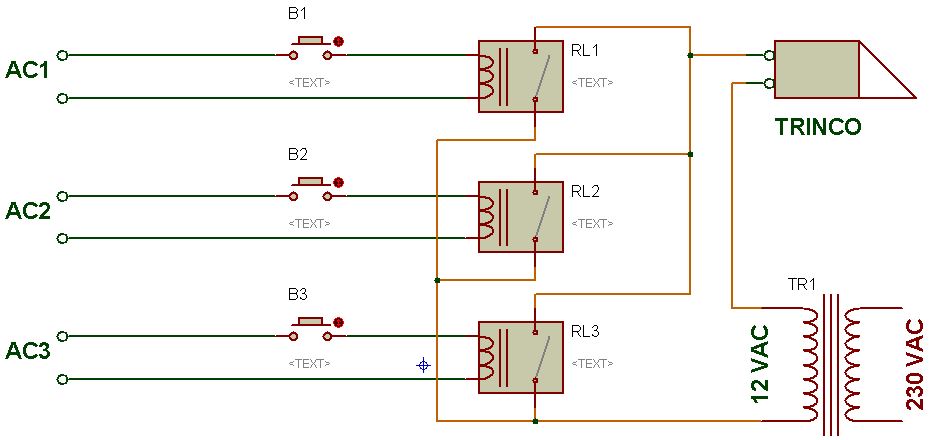
Aí vai um boneco:
AC1, AC2,AC3 ------> Representam as fontes de cada um dos sistemas
Um abraço
AC1, AC2,AC3 ------> Representam as fontes de cada um dos sistemas
Um abraço
Re: intercomunicador
Boas Ohmico,
Isso é uma situação anômala que aconteceria com qualquer da montagens referidas anteriormente ainda que se usassem os três relés.
Esta montagem tem a vantagem de poupar um relé o que diminui as hipoteses de avaria, uma vez que há menos peças para avariar.
Um abraço
Isso é uma situação anômala que aconteceria com qualquer da montagens referidas anteriormente ainda que se usassem os três relés.
Esta montagem tem a vantagem de poupar um relé o que diminui as hipoteses de avaria, uma vez que há menos peças para avariar.
Um abraço
-
ohmico
- Técnico Dedicado

- Mensagens: 1922
- Registado: 22 fev 2008, 14:44
- Enviou: 18 vezes
- Agradecimento recebido: 82 vezes
Re: intercomunicador
justme Escreveu:Boas Ohmico,
Isso é uma situação anômala que aconteceria com qualquer da montagens referidas anteriormente ainda que se usassem os três relés.
Esta montagem tem a vantagem de poupar um relé o que diminui as hipoteses de avaria, uma vez que há menos peças para avariar.
Um abraço
Boas,
se considera isso de somenos.
Eu consideraria importante, autonomizar os circuitos com três relés e alimentação independente do trinco, uma vez que em caso de avaria em qualquer dos três circuitos os ourtros não ficavam dependentes. Não faz qualquer sentido falar na poupança obtida ao instalar menos um relé.
Mas isto são opiniões e cada qual tem a sua.
Ohmico
Re: intercomunicador
Boas Ohmico,Boas,
se considera isso de somenos.
Eu consideraria importante, autonomizar os circuitos com três relés e alimentação independente do trinco, uma vez que em caso de avaria em qualquer dos três circuitos os ourtros não ficavam dependentes. Não faz qualquer sentido falar na poupança obtida ao instalar menos um relé.
Mas isto são opiniões e cada qual tem a sua.
Ohmico
Não menosprezo a funcionalidade e durabilidade da instalação, pelo contrário valorizo-a e por isso propus aquela solução.
Repare na analise que fiz dos dois esquemas propostos:
No esquema com dois relés, os elementos que perturbam a operação da porta quando avariam são: AC1, B1, B2, B3, RL2, RL3 e TRINCO.
Portanto, são 7 elementos que provocam a avaria total da abertura/fecho da porta.
No esquema com tres reles, são: B1, B2, B3, RL1, RL2, RL3, TR1 e TRINCO.
Neste caso são 8 elementos que ao avariarem perturbam o comando da porta nos tres sistemas.
Portanto parece-me que esta analise nos diz que a montagem mais favorável é a montagem com dois reles.
Um abraço
-
ohmico
- Técnico Dedicado

- Mensagens: 1922
- Registado: 22 fev 2008, 14:44
- Enviou: 18 vezes
- Agradecimento recebido: 82 vezes
Re: intercomunicador
Boas,
Mandam as regras que quando se pretende partilhar o comando de um equipamento por mais de um circuito independentes, este seja dotado de alimentação própria.
É assim que podemos verificar a existência de contactos secos em muitos equipamentos que instalamos ou mandamos instalar.
Qualquer falha que se venha a verificar no caso em questão, parece não envolver responsabilidade de maior, daí se poder admitir qualquer solução alternativa.
A análise feita esquece que os circuitos contêm, para além do esquema que propôs, mais componentes, pois parece tratar-se de conjuntos intercomunicadores, daí as possibilidades de avaria não se limitarem só às que foram expostas.
Com dois relés o TRINCO depende de:
1- AC1 + B1
2- AC1 + AC2 + B2 + RL2
3- AC1 + AC3 + B3 + RL3
Com três relés O TRINCO depende de:
1- TR1 + B1 + RL1
2- TR1 + B2 + RL2
3- TR1 + B2 + RL3
Nota: 1-Com três relés qualquer avaria em qualquer dos três conjuntos de intercomunicadores tem implicações só exclusivamente nesse circuito, permitindo o funcionamento de todos os outros.
2- A fonte de alimentação do Trinco, constituida por um transformador e um fusível sai mais barato que qualquer das fontes de alimentação de intercomunicadores e é muito mais resistente.
Ohmico
Mandam as regras que quando se pretende partilhar o comando de um equipamento por mais de um circuito independentes, este seja dotado de alimentação própria.
É assim que podemos verificar a existência de contactos secos em muitos equipamentos que instalamos ou mandamos instalar.
Qualquer falha que se venha a verificar no caso em questão, parece não envolver responsabilidade de maior, daí se poder admitir qualquer solução alternativa.
A análise feita esquece que os circuitos contêm, para além do esquema que propôs, mais componentes, pois parece tratar-se de conjuntos intercomunicadores, daí as possibilidades de avaria não se limitarem só às que foram expostas.
Com dois relés o TRINCO depende de:
1- AC1 + B1
2- AC1 + AC2 + B2 + RL2
3- AC1 + AC3 + B3 + RL3
Com três relés O TRINCO depende de:
1- TR1 + B1 + RL1
2- TR1 + B2 + RL2
3- TR1 + B2 + RL3
Nota: 1-Com três relés qualquer avaria em qualquer dos três conjuntos de intercomunicadores tem implicações só exclusivamente nesse circuito, permitindo o funcionamento de todos os outros.
2- A fonte de alimentação do Trinco, constituida por um transformador e um fusível sai mais barato que qualquer das fontes de alimentação de intercomunicadores e é muito mais resistente.
Ohmico
Re: intercomunicador
Ora continuemos então a nossa troca de opiniões:
1- AC1 + B1
2- AC1 + B2 + RL2
3- AC1 + B3 + RL3
O que nos leva novamente à conclusão de que a complexidade deste circuito é menor e portanto é mais vantajoso.
Um abraço
Repare que não estamos a tratar de automatismos no sentido mais formal do termo. Estamos a tratar de um simples comando de porta a partir de sistemas independentes em que tentamos minimizar a hipotese de avaria.Mandam as regras que quando se pretende partilhar o comando de um equipamento por mais de um circuito independentes, este seja dotado de alimentação própria.
Nesses esquemas representei apenas os elementos que têm influência no dispositivo que estamos a controlar, abstraindo-me dos restantes circuito de intercomunicação que não têm influencia no comando do trinco.A análise feita esquece que os circuitos contêm, para além do esquema que propôs, mais componentes, pois parece tratar-se de conjuntos intercomunicadores, daí as possibilidades de avaria não se limitarem só às que foram expostas.
Ora aqui parece fazer alguma confusão, pois estamos a analizar os elementos do circuito que provocam avaria global do comando da porta e portanto, AC2 e AC3 não devem constar dos ramos 2 e 3 do 1º esquema (a dois relès) pelo que o correto seria:Com dois relés o TRINCO depende de:
1- AC1 + B1
2- AC1 + AC2 + B2 + RL2
3- AC1 + AC3 + B3 + RL3
Com três relés O TRINCO depende de:
1- TR1 + B1 + RL1
2- TR1 + B2 + RL2
3- TR1 + B2 + RL3
1- AC1 + B1
2- AC1 + B2 + RL2
3- AC1 + B3 + RL3
O que nos leva novamente à conclusão de que a complexidade deste circuito é menor e portanto é mais vantajoso.
Ora isto não é verdade, pois qualquer dos elementos constantes das listagens acima (tanto a minha como a sua) tem influencia global no comando da porta e portanto não afeta apenas o circuito a que pertence mas igualmente os outros dois.Nota: 1-Com três relés qualquer avaria em qualquer dos três conjuntos de intercomunicadores tem implicações só exclusivamente nesse circuito, permitindo o funcionamento de todos os outros.
As fontes de alimentação dos sistemas de intercomunicação têm proteção e estão adequados ao dispositivo a comandar (trinco). O transformador suplementar será mais robusto se tiver maior potência que a das fontes de alimentação dos sistemas de intercomunicação.2- A fonte de alimentação do Trinco, constituida por um transformador e um fusível sai mais barato que qualquer das fontes de alimentação de intercomunicadores e é muito mais resistente.
Um abraço
Última edição por justme em 24 jan 2015, 03:48, editado 1 vez no total.
Re: intercomunicador
Boas,
ficamos todos a ganhar quando as ideias são discutidas com elevação e boa vontade.
Um abraço
ficamos todos a ganhar quando as ideias são discutidas com elevação e boa vontade.
Um abraço
-
tonecebola
- Curioso

- Mensagens: 15
- Registado: 12 mar 2011, 16:02
Re: intercomunicador
como consegui resolver esta questão, não tornei a visitar o tópico.
a solução que apresentaram com dois relés nunca me ocorreu. ficará a ideia em registo para possíveis e diversas situações que por vezes surgem.
agradeço aos dois a ajuda e o interesse que dispensaram ao meu problema.
Continuem na vossa amigável disputa.
grande abraço
a solução que apresentaram com dois relés nunca me ocorreu. ficará a ideia em registo para possíveis e diversas situações que por vezes surgem.
agradeço aos dois a ajuda e o interesse que dispensaram ao meu problema.
Continuem na vossa amigável disputa.
grande abraço
Tudo passa
