Quadro de Bomba de Furo

Responder
isidro
Faça a sua apresentação
Faça a sua apresentação
Mensagens: 5
Registado: 11 mai 2011, 09:00

Quadro de Bomba de Furo

Mensagem por isidro »

Bom dia a todos os participantes deste fórum
Se algum dos participantes possuir o esquema eléctrico do quadro de uma bomba de furo com 2 sondas (mín. e Ref.) e relé de nível temporizado e reservatório de balão agradecia que me fornecesse para eu tentar identificar uma avaria, dado que o relé não arma com a indicação de falta de água e como não sei se a avaria é das sondas que já se encontram dentro de água à 7 anos se é do relé.
Já shuntei os terminais onde liga a sonda e o relé não rearmou será que é do relé?
O relé que está instalado é da Mosal RN 31.
Agradecia a vossa ajuda.
Alex
Josecalado
Técnico Dedicado
Técnico Dedicado
Mensagens: 698
Registado: 18 abr 2010, 12:23
Localização: Setúbal
Enviou: 3 vezes
Agradecimento recebido: 52 vezes

Re: Quadro de Bomba de Furo

Mensagem por Josecalado »

isidro Escreveu:Bom dia a todos os participantes deste fórum
Se algum dos participantes possuir o esquema eléctrico do quadro de uma bomba de furo com 2 sondas (mín. e Ref.) e relé de nível temporizado e reservatório de balão agradecia que me fornecesse para eu tentar identificar uma avaria, dado que o relé não arma com a indicação de falta de água e como não sei se a avaria é das sondas que já se encontram dentro de água à 7 anos se é do relé.

O schunts a efetuar é entre a terra de referência e os terminais de ligação da sonda de mínima e máxima, se o relé não atuar ou o problema está ao nível da terra de referência, ou será mesmo o relé avariado.[/color]

Já shuntei os terminais onde liga a sonda e o relé não rearmou será que é do relé?
O relé que está instalado é da Mosal RN 31.
Agradecia a vossa ajuda.
Alex
pedro_mendes
Velha Guarda
Velha Guarda
Mensagens: 402
Registado: 24 abr 2009, 00:08
Localização: Oliveira do Hospital

Re: Quadro de Bomba de Furo

Mensagem por pedro_mendes »

Boas,

Já agora aproveito para tirar um duvida, o terra de protecção, o terra normal de casa se faltar num quadro de sondas, dará algum problema no funcionamento no relé de nível, ou só é com a montagem que tem 2 sondas?, é que tive um cliente que me veio com a história que a bomba estar sempre a ligar e a desligar era falta de terra, será possivel?

Cumprimentos, Pedro Mendes
Pedro Mendes
Josecalado
Técnico Dedicado
Técnico Dedicado
Mensagens: 698
Registado: 18 abr 2010, 12:23
Localização: Setúbal
Enviou: 3 vezes
Agradecimento recebido: 52 vezes

Re: Quadro de Bomba de Furo

Mensagem por Josecalado »

pedro_mendes Escreveu:Boas,

Já agora aproveito para tirar um duvida, o terra de protecção, o terra normal de casa se faltar num quadro de sondas, dará algum problema no funcionamento no relé de nível, ou só é com a montagem que tem 2 sondas?, é que tive um cliente que me veio com a história que a bomba estar sempre a ligar e a desligar era falta de terra, será possivel?

Cumprimentos, Pedro Mendes
A terra de referência (Que é a terra de proteção da instalação) necessita estar ligada no relé, e a gama de funcionamento do relé normalmente anda entre os 10 Kohms e os 68 Kohms (Regulável através de potenciómetro incorporado no relé) quando a resistência entre as sondas sai fora destes parâmetros o relé deixa de dar condições ao sistema.
Quanto á bomba ligar e desligar com falta de terra, se essa falta de terra for intermitente é possível; mas normalmente não é isso que acontece, tem mais a ver com variações bruscas na pressão devido a anomalias no sistema.

Cpm.
pedro_mendes
Velha Guarda
Velha Guarda
Mensagens: 402
Registado: 24 abr 2009, 00:08
Localização: Oliveira do Hospital

Re: Quadro de Bomba de Furo

Mensagem por pedro_mendes »

Josecalado Escreveu:
pedro_mendes Escreveu:Boas,

Já agora aproveito para tirar um duvida, o terra de protecção, o terra normal de casa se faltar num quadro de sondas, dará algum problema no funcionamento no relé de nível, ou só é com a montagem que tem 2 sondas?, é que tive um cliente que me veio com a história que a bomba estar sempre a ligar e a desligar era falta de terra, será possivel?

Cumprimentos, Pedro Mendes
A terra de referência (Que é a terra de proteção da instalação) necessita estar ligada no relé, e a gama de funcionamento do relé normalmente anda entre os 10 Kohms e os 68 Kohms (Regulável através de potenciómetro incorporado no relé) quando a resistência entre as sondas sai fora destes parâmetros o relé deixa de dar condições ao sistema.
Quanto á bomba ligar e desligar com falta de terra, se essa falta de terra for intermitente é possível; mas normalmente não é isso que acontece, tem mais a ver com variações bruscas na pressão devido a anomalias no sistema.

Cpm.
Boas,

Obrigado pela sua resposta, realmente o terra era intermitente, porque o fio terra tinha sido cortado, agora a minha duvida é e se a bomba não tiver terra, o quadro de sondas funcionará bem..

Cumprimentos, Pedro Mendes
Pedro Mendes
Josecalado
Técnico Dedicado
Técnico Dedicado
Mensagens: 698
Registado: 18 abr 2010, 12:23
Localização: Setúbal
Enviou: 3 vezes
Agradecimento recebido: 52 vezes

Re: Quadro de Bomba de Furo

Mensagem por Josecalado »

Se a bomba não tiver terra não tem qualquer importância para o funcionamento do relé de nível, visto que ele vai controlar a resistência da água através das sondas.

Cpm.
lima1
Faça a sua apresentação
Faça a sua apresentação
Mensagens: 7
Registado: 14 jun 2011, 12:22
Localização: Santa Maria da Feira

Re: Quadro de Bomba de Furo

Mensagem por lima1 »

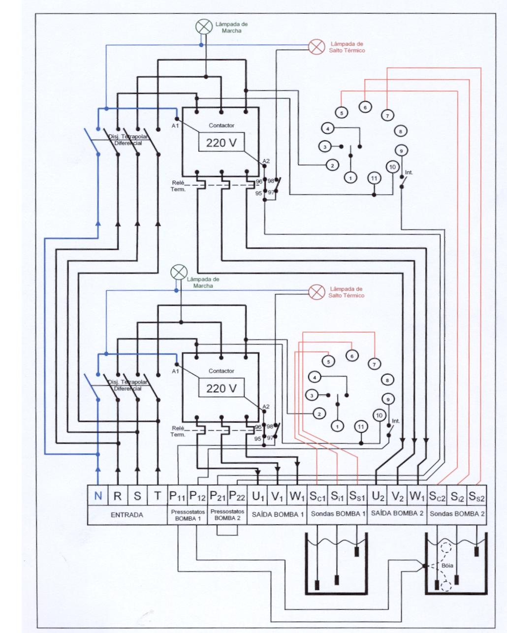
Penso que te referes a este esquema.

Cumprimentos..
Anexos
Quadro de Sondas
Quadro de Sondas
fernandescarlos
Curioso
Curioso
Mensagens: 45
Registado: 23 out 2010, 18:28
Localização: Suiça
Contacto:

Re: Quadro de Bomba de Furo

Mensagem por fernandescarlos »

pedro_mendes Escreveu:Boas,

Já agora aproveito para tirar um duvida, o terra de protecção, o terra normal de casa se faltar num quadro de sondas, dará algum problema no funcionamento no relé de nível, ou só é com a montagem que tem 2 sondas?, é que tive um cliente que me veio com a história que a bomba estar sempre a ligar e a desligar era falta de terra, será possivel?

Cumprimentos, Pedro Mendes
Por vezes o que acontece para que o motor ligue e desligue sem razão aparente, é o balão ou o autoclave que não tem a pressão do ar correta, 25lt/1,5kg 50lt/2kg 100lt/2,5kg.
Cumprimentos Carlos
jramos
Faça a sua apresentação
Faça a sua apresentação
Mensagens: 1
Registado: 10 jan 2015, 22:28

Re: Quadro de Bomba de Furo

Mensagem por jramos »

Boas,
Relativamente às várias questões colocadas sobre a terra "protecção" e "normal" gostaria de acrescentar que a terra é uma protecção contra contactos directos, ou seja em caso de existir uma passagem num cabo descarnado evita que alguém apanhe uma descarga eléctrica.
Avatar do Utilizador
nelmindo
Team Apoio
Team Apoio
Mensagens: 5464
Registado: 14 abr 2008, 10:52
Localização: PORTO
Enviou: 23 vezes
Agradecimento recebido: 206 vezes

Re: Quadro de Bomba de Furo

Mensagem por nelmindo »

jramos Escreveu:Boas,
Relativamente às várias questões colocadas sobre a terra "protecção" e "normal" gostaria de acrescentar que a terra é uma protecção contra contactos directos, ou seja em caso de existir uma passagem num cabo descarnado evita que alguém apanhe uma descarga eléctrica.
Isso que descreveu é um contacto indireto...
Contanto direto é quando o corpo humano toca num objeto metálico que faz parte do circuito activo (fase e neutro).
Contacto indireto é quando o corpo humano toca num objecto metálico que normalmente não faz parte do circuito activo (por exemplo blindagens), mas devido a uma avaria ficou a fazer "parte"...
Responder

Voltar para “Dúvidas”